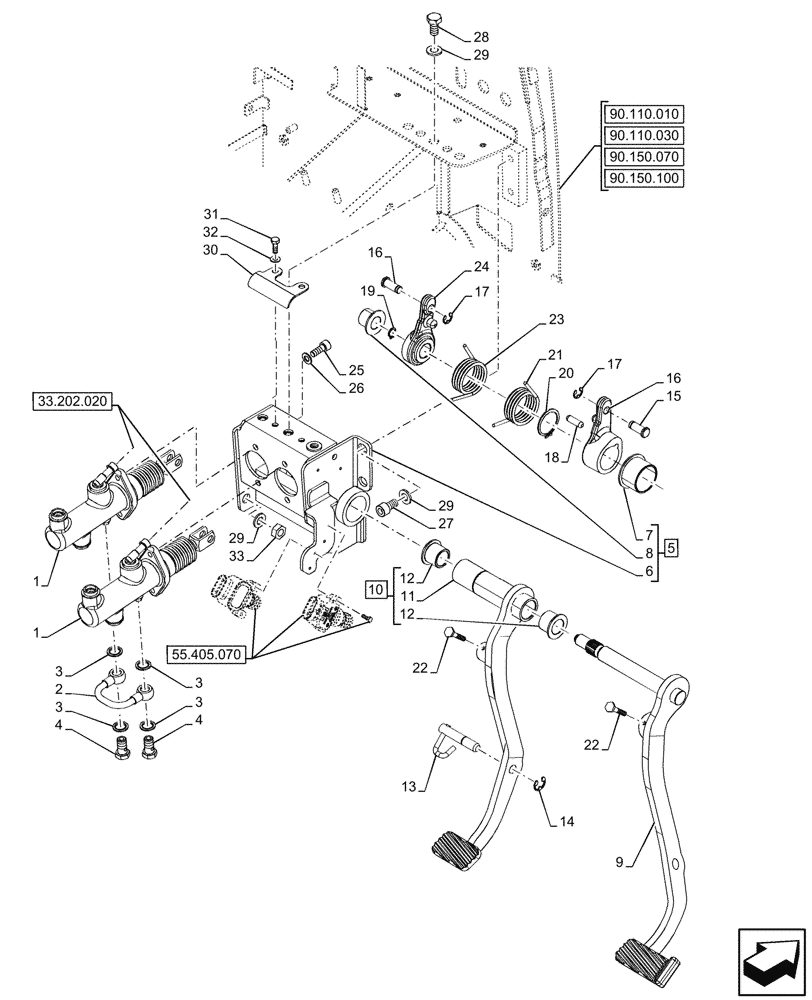
Запчасти Case IH FARMALL 80V (33.202.130) - VAR - 759028, 759029, 759031, 759033 - BRAKE CYLINDER, PEDAL, W/DOC (33) - BRAKES & CONTROLS

Схема запчастей Case IH FARMALL 80V - (33.202.130) - VAR - 759028, 759029, 759031, 759033 - BRAKE CYLINDER, PEDAL, W/DOC (33) - BRAKES & CONTROLS
33.202.020
4
3
8
16
15
29
32
4
22
1
5
2
33
3
7
21
17
29
12
25
16
24
18
26
17
14
3
12
9
11
10
13
1
27
30
19
31
28
20
6
3
23
22
55.405.070
29
90.110.030
90.110.010
90.150.100
90.150.070
FIT
1:1
100%

Артикул

Название

Примечание

Количество

1

87354670

MASTER CYLINDER

Brake

2шт.

2

5155701

TUBE

Brake Master Cylinder, Pressure

1шт.

3

10298460

SEALING WASHER,M12.2 x 18 x 1.5

4шт.

4

5155703

BANJO BOLT,M12 x 1.25 x 22mm

2шт.

5

47924339

SUPPORT

ASSY, Master Cylinder Brake, Incl 6 - 8

1шт.

6

NSS

NOT SOLD SEPARAT

Support, Incl in 5

1шт.

7

48001267

BUSHING,35mm ID x 39mm OD x 26mm L

35mm ID x 47mm OD x 26mm L

1шт.

8

48001250

BUSHING,16mm ID x 18mm OD x 17mm L

16mm ID x 24mm OD x 17mm L

1шт.

9

47923750

PEDAL

RH Brake ASSY

1шт.

10

47923758

PEDAL

ASSY, LH Brake, Incl 11, 12

1шт.

11

NSS

NOT SOLD SEPARAT

Pedal, Incl in 10

1шт.

12

5180477

BUSHING,21.1mm ID x 35mm OD x 22mm L

21.1mm ID x 35mm OD x 22mm L

2шт.

13

5168890

PIN,12mm OD x 66mm L

Lock Brake Pedal

1шт.

14

11088174

CIRCLIP,M10

1шт.

15

48001412

LEVER

LH Brake Pedal

1шт.

16

5155381

PIN,9.85mm OD x 28mm L

2шт.

17

16160974

CIRCLIP,M9

2шт.

18

5172858

ROLL PIN,8mm OD x 27mm L

8mm D x 27mm L

1шт.

19

11065874

CIRCLIP,M11

1шт.

20

11068276

SNAP RING,M34, Ext

1шт.

21

87564239

SPRING,47.6mm OD x 23.7mm L

40mm ID x 48mm OD x 690 daNmm

1шт.

22

48015480

PIN,M6 x 1 x 36mm L

Regulator

2шт.

23

87564238

SPRING,47.6mm OD x 23.7mm L

mm ID x 48mm OD x 690 daNmm

1шт.

24

87564646

LEVER

RH Brake Pedal

1шт.

25

14306324

HEX SOC SCREW,M8 x 1.25 x 20mm, Cl 8.8, Full Thd

4шт.

26

11193874

BELLEVILLE WASHER,M8 Bolt Size x 16mm OD x 1.4mm Thk

4шт.

27

14360024

BOLT,M10 x 1.25 x 18mm, Cl 8.8, Full Thd

2шт.

28

15970624

BOLT,Hex, M10 x 1.25 x 22mm, Cl 8.8, Full Thd

3шт.

29

11190574

BELLEVILLE WASHER,M10 Bolt Size x 20mm OD x 2.3mm Thk

6шт.

30

47912278

BRACKET

1шт.

31

10902324

BOLT,Hex, M6 x 18mm, Cl 8.8, Full Thd

2шт.

32

13550201

WASHER,6.15mm ID x 13mm OD x 1mm Thk

2шт.

33

100016

NUT,M10 x 1.5, Cl 8

1шт.

Выбрано товаров: 33