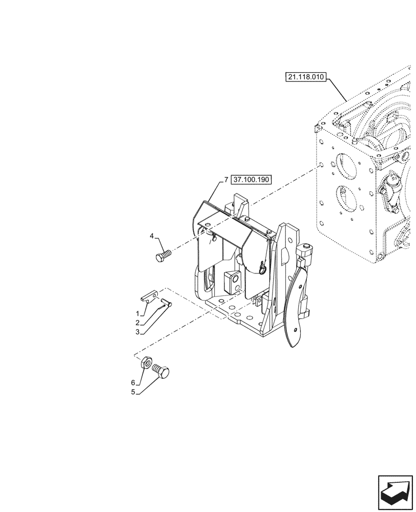
Запчасти Case IH FARMALL 80V (37.100.180) - VAR - 342314 - REAR, SLIDER, FRAME (37) - HITCHES, DRAWBARS & IMPLEMENT COUPLINGS

Схема запчастей Case IH FARMALL 80V - (37.100.180) - VAR - 342314 - REAR, SLIDER, FRAME (37) - HITCHES, DRAWBARS & IMPLEMENT COUPLINGS
37.100.190
7
3
2
5
1
6
4
21.118.010
FIT
1:1
100%

Артикул

Название

Примечание

Количество

1

5130621

LEVER

1шт.

2

10796401

COTTER PIN,M3.2 x 18

M3.2 x 18

1шт.

3

5130620

PIN,10mm OD x 34mm L

1шт.

4

11390534

BOLT,Hex, M16 x 1.5 x 40mm, Cl 10.9

6шт.

5

5190749

SCREW,M24 x 3 x 130mm L

2шт.

6

10717921

THIN NUT,Thin, M24 x 3, Cl 05

2шт.

7

5192034

SUPPORT

ASSY

1шт.

Выбрано товаров: 0