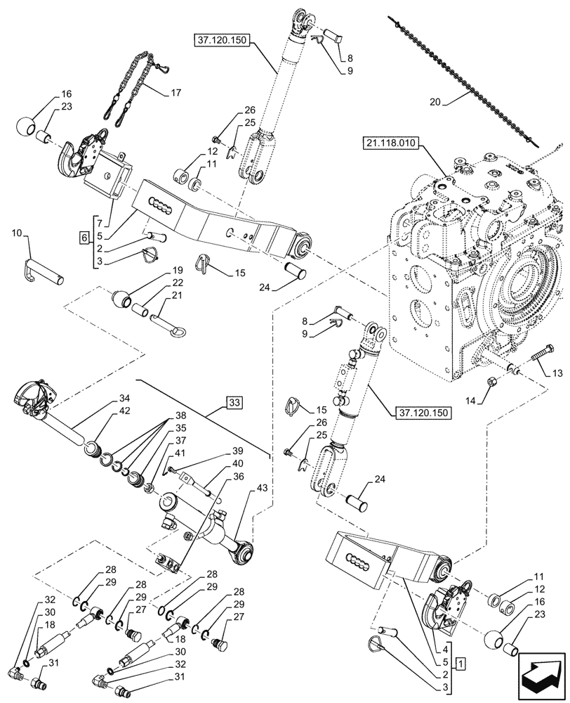
Запчасти Case IH FARMALL 80V (37.120.110) - VAR - 341846, 341847, 743523 - REAR, 3 POINT HITCH, W/ HYDRAULIC TOP LINK, LOWER LINK (37) - HITCHES, DRAWBARS & IMPLEMENT COUPLINGS

Схема запчастей Case IH FARMALL 80V - (37.120.110) - VAR - 341846, 341847, 743523 - REAR, 3 POINT HITCH, W/ HYDRAULIC TOP LINK, LOWER LINK (37) - HITCHES, DRAWBARS & IMPLEMENT COUPLINGS
21.118.010
32
24
30
21
10
29
3
29
32
43
9
40
39
42
17
11
29
36
31
28
14
7
12
38
9
23
16
41
20
15
23
5
24
22
37
26
16
33
2
8
28
12
35
28
13
4
19
15
1
27
3
25
30
18
25
29
28
6
18
34
2
31
11
27
5
8
26
37.120.150
37.120.150
FIT
1:1
100%

Артикул

Название

Примечание

Количество

1

87710988

ARM

ASSY, Incl 2 (Qty 1), 3 (Qty 1), 4, 5

1шт.

2

5194126

PIN

2шт.

3

47133246

LOCK PIN,7.5mm OD x 42mm L

2шт.

4

5194129

TRACK ROD END ASSY

1шт.

5

NSS

NOT SOLD SEPARAT

Lower Link, Incl in 1

1шт.

6

87710989

ARM

ASSY, Incl 2 (Qty 1), 3 (Qty 1), 5, 7

1шт.

7

5194130

TRACK ROD END ASSY

1шт.

8

5188374

PIN,18mm OD x 59mm L

2шт.

9

5188412

COTTER PIN,25.6mm OD x 48mm L

2шт.

10

5181097

PIN,25.5mm OD x 135mm L

1шт.

11

5131391

SPACER,25.5mm ID x 38mm OD x 15mm L

2шт.

12

5116247

RING,24mm ID x 38.4mm OD x 25mm L

2шт.

13

15888724

BOLT,Hex, M10 x 1.25 x 55mm, Cl 8.8

2шт.

14

12574514

LOCK NUT,M10 x 1.25

2шт.

15

5166585

LOCK PIN,11mm OD

2шт.

16

822441

BUSHING,29mm ID x 56mm OD x 44.5mm L

2шт.

17

5116063

ROPE,4500mm L

1шт.

18

84347389

HYD TUBE

2шт.

19

5172480

BALL,25.4mm ID x 50mm OD

1шт.

20

5174395

CABLE,1250mm L, Cat 2, Red Ruby

1шт.

21

561831

PIN,19mm OD x 100mm L

1шт.

22

5134566

BUSHING,19.4mm ID x 25mm OD x 44mm L

1шт.

23

5192619

BUSHING,22mm ID x 28.4mm OD x 35mm L

2шт.

24

5193422

PIN,26mm OD x 64mm L

2шт.

25

5193751

COVER PLATE

2шт.

26

10910321

BOLT,Hex, M8 x 1 x 14mm, Cl 8.8, Full Thd

2шт.

27

84347388

HYD CONNECTOR,M16 x 1.5 x 47mm L

2шт.

28

14457880

O-RING,0.103" Thk x 0.987" ID, -120, Cl 5, 75 Duro

4шт.

29

5189534

WASHER,25.8mm ID x 30.2mm OD x 1.1mm Thk

4шт.

30

5167639

SEALING WASHER,13.4mm ID x 24mm OD x 1.5mm Thk

2шт.

31

5101741

QUICK MALE COUPLING

2шт.

32

5179497

HYD CONNECTOR,9/16-18 UNF

2шт.

33

84345877

TOP LINK

ASSY, Incl 34 - 43

1шт.

34

84410457

LINK ARM ASSY KIT

1шт.

35

5190476

SPOOL

1шт.

36

84410458

LOCK VALVE

1шт.

37

12575011

LOCK NUT,M18 x 1.5, Cl 8

1шт.

38

84410459

SEAL KIT

1шт.

39

84410462

PIN

1шт.

40

5172394

LEVER

1шт.

41

14163971

LOCK PIN,4mm OD x 20mm L

1шт.

42

5190477

END PLATE

1шт.

43

NSS

NOT SOLD SEPARAT

Strut, Incl in 33

1шт.

Выбрано товаров: 0