Запчасти Case IH FARMALL 80V (50.100.010) - VAR - 743970 - HEATING SYSTEM, LINES, 60L/MIN, CAB (50) - CAB CLIMATE CONTROL

Схема запчастей Case IH FARMALL 80V - (50.100.010) - VAR - 743970 - HEATING SYSTEM, LINES, 60L/MIN, CAB (50) - CAB CLIMATE CONTROL
50.100.020
10
7
1
9
9
2
3
10
3
4
5
4
9
8
6
9
10.001.010
FIT
1:1
100%

Артикул

Название

Примечание

Количество

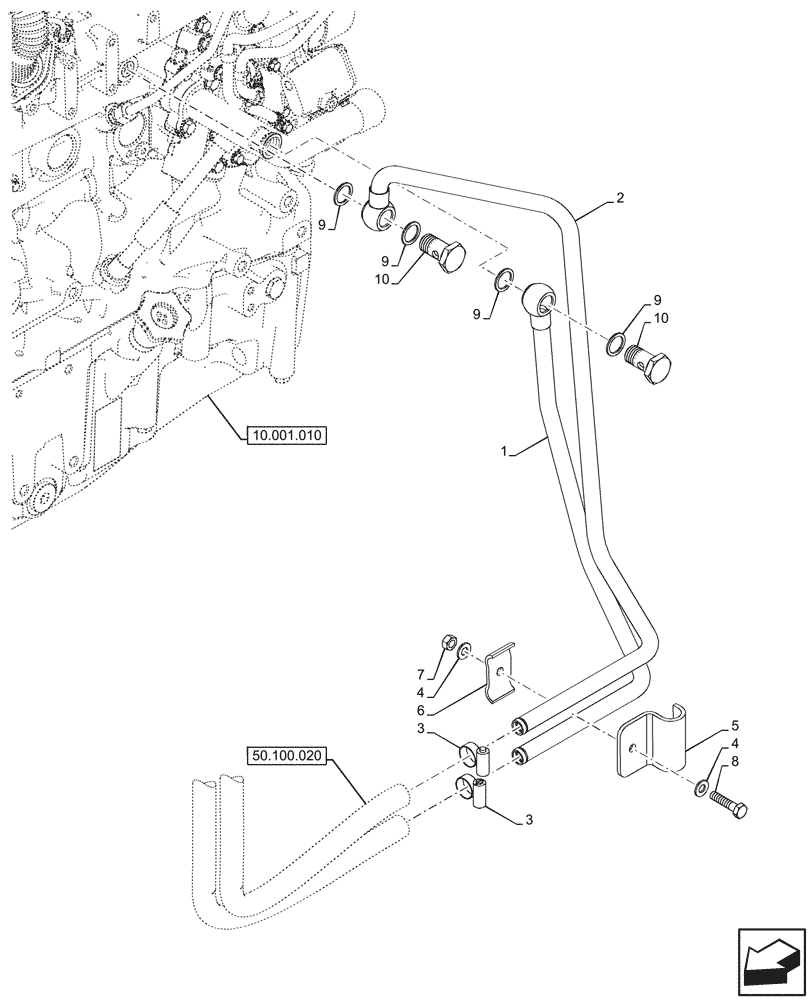
1

48000211

PIPE

from Cab Heater Line to Engine

1шт.

2

48000617

PIPE

from Engine to Cab Heater Line

1шт.

3

13000390

HOSE CLAMP,16mm - 25mm, Worm Gear

2шт.

4

14496504

WASHER,8.4mm ID x 17mm OD x 1.6mm Thk

4шт.

5

47762299

BRACKET

Black

1шт.

6

84177648

CLAMP BRACKET

1шт.

7

43362

NUT,M8 x 1.25, Cl 10

1шт.

8

16043924

BOLT,Hex, M8 x 1.25 x 35mm, Cl 8.8, Full Thd

1шт.

9

10259960

SEAL,Rectangular, 18.30mm ID x 24.00mm OD x 1.50mm, Copper

4шт.

10

5100984

BANJO BOLT,M18 x 1.5, 34mm L

2шт.

Выбрано товаров: 10