Запчасти Case IH FARMALL 80V (55.035.140) - VAR - 759025 - REMOTE CONTROL VALVES, DIVERTER, CAB (55) - ELECTRICAL SYSTEMS

Схема запчастей Case IH FARMALL 80V - (55.035.140) - VAR - 759025 - REMOTE CONTROL VALVES, DIVERTER, CAB (55) - ELECTRICAL SYSTEMS
55.024.050
4
1
5
3
4
5
5
2
5
4
4
55.024.030
35.204.620
35.204.620
FIT
1:1
100%

Артикул

Название

Примечание

Количество

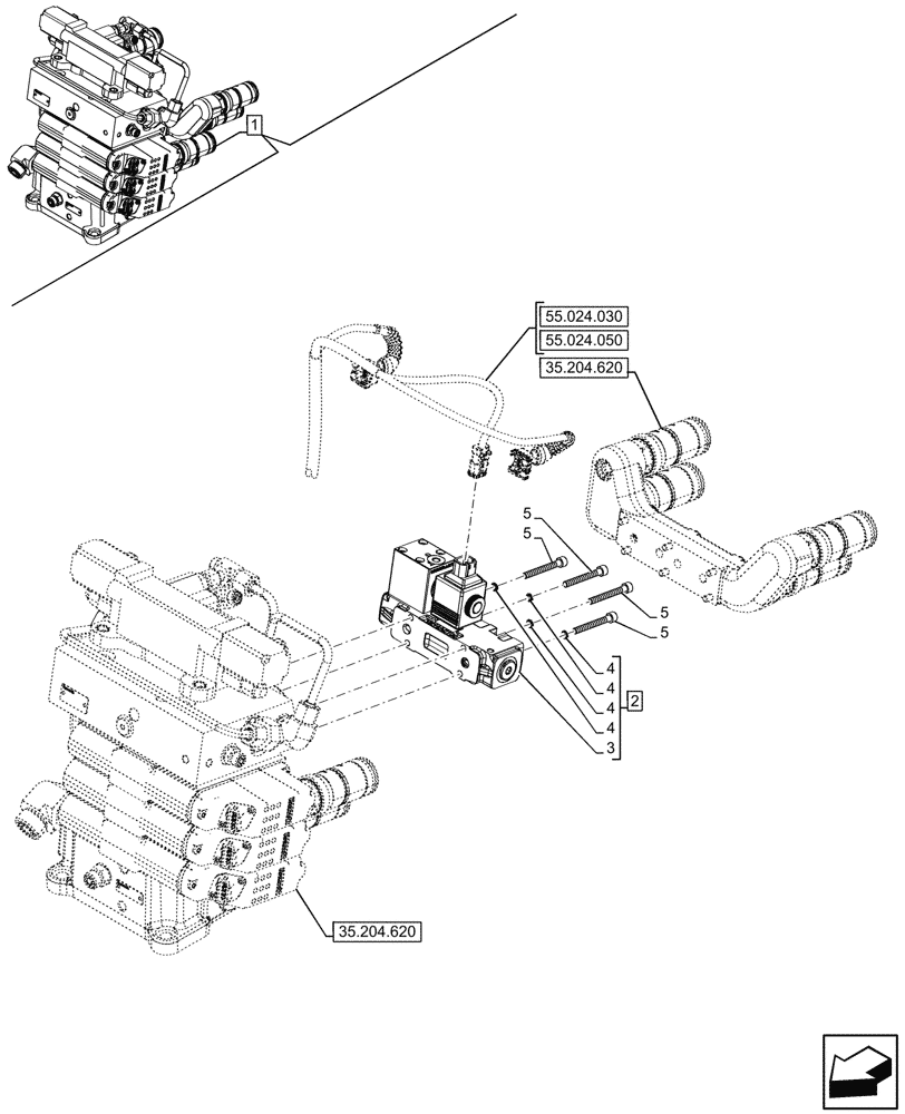
1

47910002

DISTRIBUTOR

ASSY, Electro Hydraulic Superflow, Incl 2 - 5

1шт.

See also Distributor components in Figure 35.204.610

1шт.

2

47633685

HYDRAULIC VALVE

ASSY, Diverter, Incl 3, 4

1шт.

3

47737076

SOLENOID VALVE

Directional

1шт.

4

14457186

O-RING,0.103" Thk x 0.549" ID, -113, Cl 5, 75 Duro

4шт.

5

356464

HEX SOC SCREW,M6 x 50mm, Cl 8.8

4шт.

Выбрано товаров: 6