Запчасти Case IH FARMALL 80V (05.100.032) - CAPACITIES (05) - SERVICE & MAINTENANCE

Схема запчастей Case IH FARMALL 80V - (05.100.032) - CAPACITIES (05) - SERVICE & MAINTENANCE
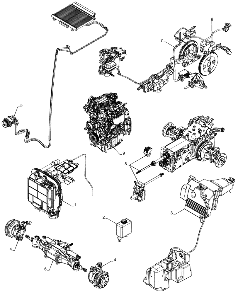
5
6
4
8
4
7
3
9
2
1
FIT
1:1
100%

Артикул

Название

Примечание

Количество

1

-

Cooling System (Qty in Liters), (3.52 US Gallons), W/ CAB

16шт.

Recommended Product, Conventional coolant: 50% CASE IH AKCELA PREMIUM ANTI-FREEZE + 50% Distilled Water

1шт.

Specifications : CNH (MAT3620) International (ASTM D 6210 Type 1-FF)

1шт.

Alternative type coolant: 50% CASE IH AKCELA ACTIFULL™ OT EXTENDED LIFE COOLANT+ 50% Distilled Water

1шт.

Specifications : CNH (MAT3624) International (ASTM 6210)

1шт.

1

-

Cooling System (Qty in Liters), (3.08 US Gallons), W/O CAB

14шт.

Recommended Product, Conventional coolant: 50% CASE IH AKCELA PREMIUM ANTI-FREEZE + 50% Distilled Water

1шт.

Specifications : CNH (MAT3620) International (ASTM D 6210 Type 1-FF)

1шт.

Alternative type coolant: 50% CASE IH AKCELA ACTIFULL™ OT EXTENDED LIFE COOLANT+ 50% Distilled Water

1шт.

Specifications : CNH (MAT3624) International (ASTM 6210)

1шт.

2

-

Windshield Washer Reservoir (Qty in Liters), (0.44 US Gallons)

2шт.

3

-

Fuel Tank (Qty in Liters), (21.12 US Gallons)

96шт.

Recommended Product: Decanted, Filtered Diesel Fluid

1шт.

4

-

4WD Front Axle Hub, (Qty in Liters), (0.13 US Gallons)

1шт.

Recommended Product: CASE IH AKCELA GEAR 135 H EP 80W-90

1шт.

Specifications : CNH (NH520A) International (SAE 80W90) (API GL-5) (MIL-L-2105 D)

1шт.

5

-

Air-conditioning (Qty in Liters), (0.04 US Gallons)

1шт.

6

-

4WD Front Axle Housing (Qty in Liters), (0.88 US Gallons)

4шт.

Recommended Product: CASE IH AKCELA NEXPLORE™ FLUID

1шт.

Specifications : CNH (NH410B) International (SAE 10W30) (API GL-4) (ISO 32/46)

1шт.

7

-

Braking System (Qty in Liters), (0.11 US Gallons)

1шт.

Recommended Product: BRAKE LHM FLUID

1шт.

Specifications : CNH (NH610A) International (ISO 7308)

1шт.

8

-

Transmission, Rear Axle (Qty in Liters), (9.68 US Gallons)

44шт.

Recommended Product: CASE IH AKCELA NEXPLORE™ FLUID

1шт.

Specifications : CNH (NH410B) International (SAE 10W-30) (API GL4) (ISO 32/46)

1шт.

9

-

Engine Lubrication, Including Filters (Qty in Liters), (2.09 US Gallons)

9.5шт.

Recommended Product: CASE IH AKCELA UNITEK NO. 1™ SBL CJ-4 SAE 10W-40 or CASE IH AKCELA UNITEK NO. 1™ SSL CJ-4 SAE 0W-40

1шт.

Specifications : CNH (MAT3521) International (API CJ-4)

1шт.

Alternative Product: CASE IH AKCELA NO. 1™ ENGINE OIL CJ-4 SAE 15W-40

1шт.

Specifications : CNH (MAT3522) International (API CJ-4)

1шт.

9

-

Engine Oil Sump, Minimum (Qty in Liters), (1.4 US Gallons)

6.4шт.

Recommended Product: CASE IH AKCELA UNITEK NO. 1™ SBL CJ-4 SAE 10W-40 or CASE IH AKCELA UNITEK NO. 1™ SSL CJ-4 SAE 0W-40

1шт.

Specifications : CNH (MAT3521) International (API CJ-4)

1шт.

Alternative Product: CASE IH AKCELA NO. 1™ ENGINE OIL CJ-4 SAE 15W-40

1шт.

Specifications : CNH (MAT3522) International (API CJ-4)

1шт.

9

-

Engine Oil Sump, Maximum (Qty in Liters), (1.8 US Gallons)

8.1шт.

Recommended Product: CASE IH AKCELA UNITEK NO. 1™ SBL CJ-4 SAE 10W-40 or CASE IH AKCELA UNITEK NO. 1™ SSL CJ-4 SAE 0W-40

1шт.

Specifications : CNH (MAT3521) International (API CJ-4)

1шт.

Alternative Product: CASE IH AKCELA NO. 1™ ENGINE OIL CJ-4 SAE 15W-40

1шт.

Specifications : CNH (MAT3522) International (API CJ-4)

1шт.

Выбрано товаров: 41