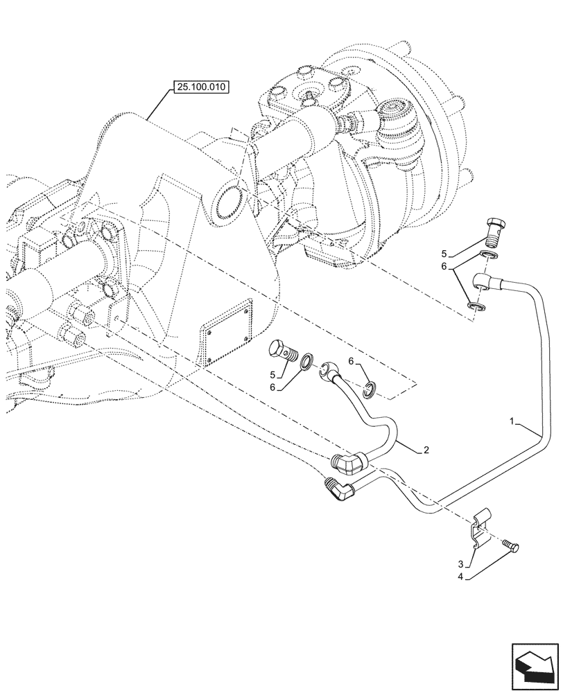
Запчасти Case IH FARMALL 90V (41.216.030) - VAR - 744473 - 4WD FRONT AXLE, W/ ELECTROHYDRAULIC DIFFERENTIAL LOCK, STEERING CYLINDER, HYDR LINES (41) - STEERING

Схема запчастей Case IH FARMALL 90V - (41.216.030) - VAR - 744473 - 4WD FRONT AXLE, W/ ELECTROHYDRAULIC DIFFERENTIAL LOCK, STEERING CYLINDER, HYDR LINES (41) - STEERING
25.100.010
4
2
5
3
6
1
6
5
6
FIT
1:1
100%

Артикул

Название

Примечание

Количество

1

47874221

PIPE

LH, Delivered to Cylinder

1шт.

2

47916530

PIPE

Pipe for LH Steering

1шт.

3

4999554

CLAMP,2 Hoses

1шт.

4

10902224

SCREW,Hex, M6 x 16mm, Cl 8.8, Full Thd

1шт.

5

10184311

BANJO BOLT,M14 x 1.5 x 27mm

2шт.

6

44906168

SEAL,14.86mm ID x 22.23mm OD x 3mm Thk

4шт.

Выбрано товаров: 6