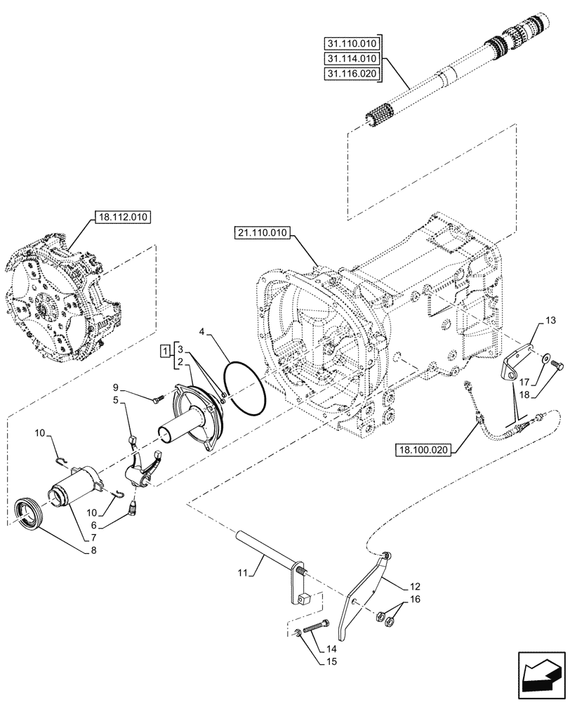
Запчасти Case IH FARMALL 90V (18.100.040) - VAR - 743381, 743508 - CLUTCH, INTERNAL, SLEEVE (18) - CLUTCH

Схема запчастей Case IH FARMALL 90V - (18.100.040) - VAR - 743381, 743508 - CLUTCH, INTERNAL, SLEEVE (18) - CLUTCH
18.100.020
13
10
14
2
18
3
7
15
10
1
17
16
5
9
11
8
6
12
4
18.112.010
31.110.010
31.114.010
21.110.010
31.116.020
FIT
1:1
100%

Артикул

Название

Примечание

Количество

1

5171606

SLEEVE

ASSY, Incl 2, 3

1шт.

2

NSS

NOT SOLD SEPARAT

Cover, Incl in 1

1шт.

3

5168157

BUSHING,8.5mm ID x 10.7mm OD x 5.5mm L

2шт.

4

14462180

O-RING,152.1mm ID x 2.62" Width

1шт.

5

5172487

YOKE,M16 x 1.5

1шт.

6

4968813

BOLT,Hex, M16 x 1.5 x 32mm

1шт.

7

84487337

SLEEVE

1шт.

8

87345759

BALL BEARING,50mm ID x 90.5mm OD x 22mm W

1шт.

9

16043624

SCREW,Hex, M8 x 1.25 x 25mm, Cl 8.8, Full Thd

4шт.

10

44011615

SPRING,15mm, Free Length

2шт.

11

5171005

LEVER

1шт.

12

5170984

LEVER

1шт.

13

47802458

BRACKET

1шт.

14

15232024

BOLT,Hex, M10 x 1.25 x 80mm, Cl 8.8, Full Thd

1шт.

15

10791011

THIN NUT,Thin, M10 x 1.25, Cl 04

1шт.

16

10790921

THIN NUT,Thin, M16 x 1.5, Cl 05

2шт.

17

11193974

BELLEVILLE WASHER,M8 Bolt Size x 22mm OD x 1.5mm Thk

2шт.

18

16043424

SCREW,Hex, M8 x 1.25 x 20mm, Cl 8.8, Full Thd

2шт.

Выбрано товаров: 0