Запчасти Case IH FARMALL 90V (18.104.010) - VAR - 330273, 743509 - CLUTCH, PEDAL, ELECTROHYDRAULIC ENGAGEMENT, CONTROLS (18) - CLUTCH

Схема запчастей Case IH FARMALL 90V - (18.104.010) - VAR - 330273, 743509 - CLUTCH, PEDAL, ELECTROHYDRAULIC ENGAGEMENT, CONTROLS (18) - CLUTCH
90.150.100
13
5
8
11
3
9
10
4
1
18
17
12
12
13
2
6
7
14
3
16
15
90.110.010
55.513.030
55.513.030
90.150.070
FIT
1:1
100%

Артикул

Название

Примечание

Количество

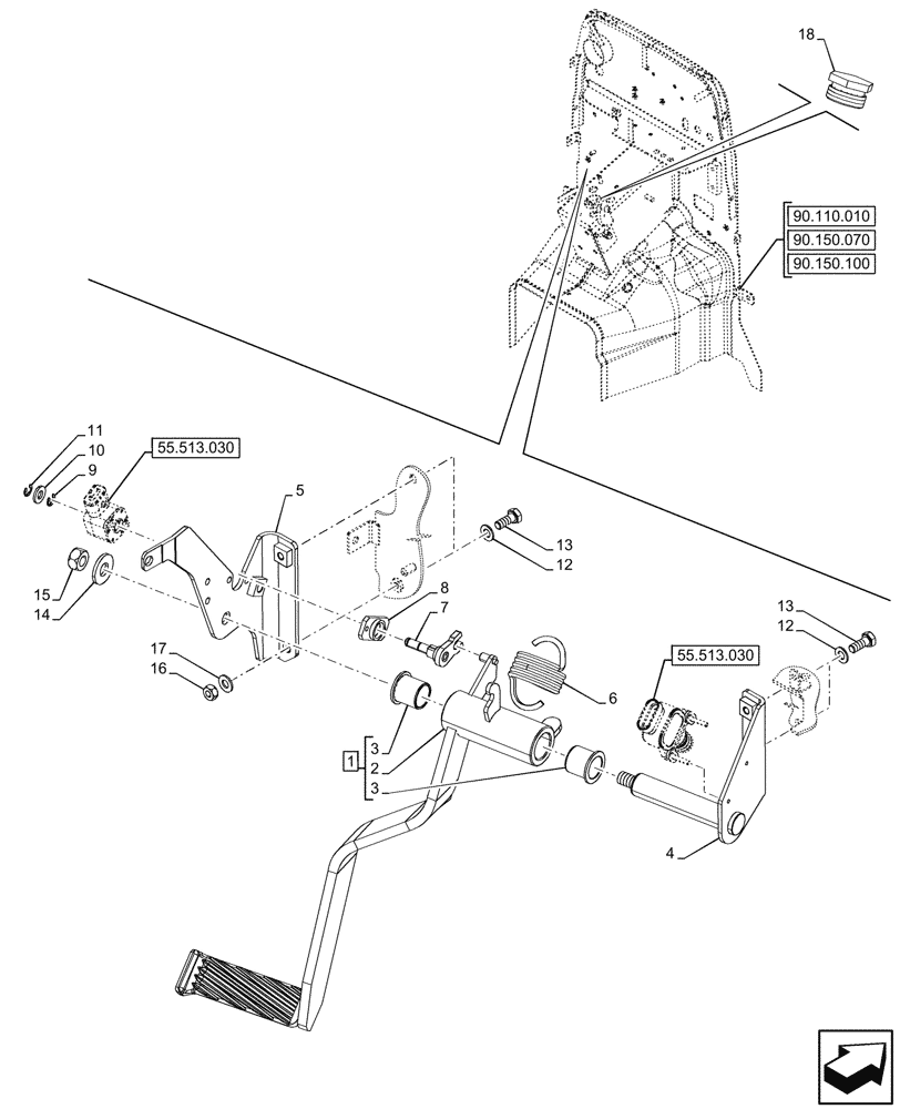
1

47804558

PEDAL

ASSY, Incl 2, 3

1шт.

2

NSS

NOT SOLD SEPARAT

Pedal, Incl in 1

1шт.

3

5188075

BUSHING,22mm ID x 26.27mm OD x 26mm L

2шт.

4

47130713

SUPPORT

RH

1шт.

5

47130711

SUPPORT

LH

1шт.

6

5177552

SPRING,51mm OD x 64mm L

1шт.

7

47132765

SHAFT,39.55mm L

1шт.

8

47133571

PLATE

1шт.

9

11087874

CIRCLIP,M6

1шт.

10

10519604

WASHER,8.15mm ID x 17mm OD x 2mm Thk

1шт.

11

11087876

CIRCLIP,M7

1шт.

12

16043424

SCREW,Hex, M8 x 1.25 x 20mm, Cl 8.8, Full Thd

4шт.

13

11193874

BELLEVILLE WASHER,M8 Bolt Size x 16mm OD x 1.4mm Thk

4шт.

14

11190874

BELLEVILLE WASHER,M12 Bolt Size x 30mm OD x 3mm Thk

1шт.

15

16101524

NUT,M12 x 1.25, Cl 10

1шт.

16

16100824

NUT,M8, Cl 10

1шт.

17

14496504

WASHER,8.4mm ID x 17mm OD x 1.6mm Thk

1шт.

18

5179011

PLUG,Hex, M32 x 2

Closing Hole Clutch HI-LO

2шт.

Выбрано товаров: 18