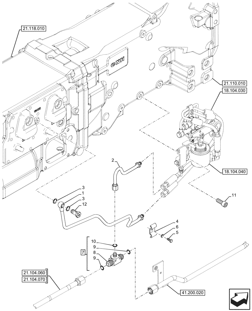
Запчасти Case IH FARMALL 90V (18.104.020) - VAR - 759018 - PTO CLUTCH, CONTROL, LINES, CAB (18) - CLUTCH

Схема запчастей Case IH FARMALL 90V - (18.104.020) - VAR - 759018 - PTO CLUTCH, CONTROL, LINES, CAB (18) - CLUTCH
21.104.060
10
9
2
3
7
4
12
8
1
3
5
11
9
6
18.104.030
18.104.040
21.104.070
21.118.010
41.200.020
21.110.010
FIT
1:1
100%

Артикул

Название

Примечание

Количество

1

47726937

PIPE

Return PTO Control

1шт.

2

47448117

PIPE

1шт.

3

10261160

SEALING WASHER,M14.2 x 18 x 1.5, Copper

2шт.

4

4999554

CLAMP,2 Hoses

1шт.

5

10902224

SCREW,Hex, M6 x 16mm, Cl 8.8, Full Thd

1шт.

6

11197774

BELLEVILLE WASHER,M6 Bolt Size x 12mm OD x 1.2mm Thk

1шт.

7

87587347

HYD CONNECTOR

ASSY, Incl 8 - 10

1шт.

8

NSS

NOT SOLD SEPARAT

Union T, Incl in 7

1шт.

9

167269

O-RING,0.097" Thk x 0.755" ID, -910, Cl 6, 90 Duro

2шт.

10

9617873

O-RING,0.078" Thk x 0.468" ID, -906, Cl 6, 90 Duro

1шт.

11

14331121

HEX SOC SCREW,M12 x 1.25 x 30mm, Cl 8.8, Full Thd

2шт.

12

84543729

BANJO BOLT,Hex, M14 x 1.4 x 27mm, M8 x 1 on head

1шт.

Выбрано товаров: 12