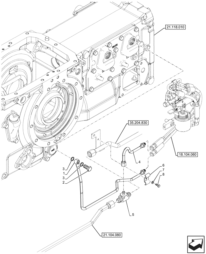
Запчасти Case IH FARMALL 90V (18.104.090) - VAR - 759018 - PTO CLUTCH, LINES, W/O MID MOUNT VALVES (18) - CLUTCH

Схема запчастей Case IH FARMALL 90V - (18.104.090) - VAR - 759018 - PTO CLUTCH, LINES, W/O MID MOUNT VALVES (18) - CLUTCH
21.104.080
3
6
1
2
5
4
3
35.204.830
18.104.060
8
7
21.118.010
FIT
1:1
100%

Артикул

Название

Примечание

Количество

1

47449886

PIPE

Return PTO control

1шт.

2

10184311

BANJO BOLT,M14 x 1.5 x 27mm

1шт.

3

10261160

SEALING WASHER,M14.2 x 18 x 1.5, Copper

2шт.

4

47448117

PIPE

1шт.

5

87587347

HYD CONNECTOR

1шт.

6

4999554

CLAMP,2 Hoses

1шт.

7

11197774

BELLEVILLE WASHER,M6 Bolt Size x 12mm OD x 1.2mm Thk

1шт.

8

10902224

SCREW,Hex, M6 x 16mm, Cl 8.8, Full Thd

1шт.

Выбрано товаров: 0