Запчасти Case IH FARMALL 90V (18.104.100) - VAR - 341972, 341973, 341974 - PTO CLUTCH, LINES, CAB (18) - CLUTCH

Схема запчастей Case IH FARMALL 90V - (18.104.100) - VAR - 341972, 341973, 341974 - PTO CLUTCH, LINES, CAB (18) - CLUTCH
21.104.080
1
2
5
8
4
3
6
7
3
18.104.070
35.204.830
21.118.010
FIT
1:1
100%

Артикул

Название

Примечание

Количество

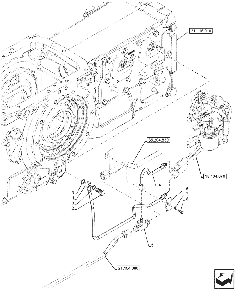
1

47449886

PIPE

Return PTO control

1шт.

2

84543729

BANJO BOLT,Hex, M14 x 1.4 x 27mm, M8 x 1 on head

1шт.

3

10261160

SEALING WASHER,M14.2 x 18 x 1.5, Copper

2шт.

4

47448117

PIPE

1шт.

5

87587347

HYD CONNECTOR

1шт.

6

4999554

CLAMP,2 Hoses

1шт.

7

11197774

BELLEVILLE WASHER,M6 Bolt Size x 12mm OD x 1.2mm Thk

1шт.

8

10902224

SCREW,Hex, M6 x 16mm, Cl 8.8, Full Thd

1шт.

Выбрано товаров: 8