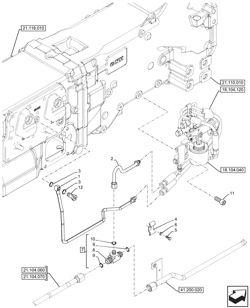
Запчасти Case IH FARMALL 90V (18.104.110) - VAR - 743522, 759019 - PTO CLUTCH, CONTROLS, LINE, W/O MID MOUNT VALVES (18) - CLUTCH

Схема запчастей Case IH FARMALL 90V - (18.104.110) - VAR - 743522, 759019 - PTO CLUTCH, CONTROLS, LINE, W/O MID MOUNT VALVES (18) - CLUTCH
21.104.060
9
1
12
2
11
3
3
4
6
5
8
9
7
10
18.104.120
18.104.040
21.104.070
21.118.010
41.200.020
21.110.010
FIT
1:1
100%

Артикул

Название

Примечание

Количество

1

5185025

HYDRAULIC VALVE

Return PTO Control

1шт.

2

11057876

SNAP RING,M20, Int

1шт.

3

14457180

O-RING,0.103" Thk x 0.549" ID, -113, Cl 5, 75 Duro

1шт.

4

5114359

SCRAPER RING,Locking, 12mm ID x 18mm OD x 5mm Thk

1шт.

5

5188876

SPRING,Compression, 18.5mm OD x 30.5mm L

1шт.

6

5192732

O-RING,11.91mm ID

1шт.

7

NSS

NOT SOLD SEPARAT

ASSY, Incl 8 - 10

1шт.

8

47477411

PRESSURE PIPE

Union T, Incl in 7

1шт.

9

5183774

FLEXIBLE HOSE,12.2mm ID x 232mm L

1шт.

10

5183637

LEVER

1шт.

11

14305224

HEX SOC SCREW,M6 x 16mm, Cl 8.8, Full Thd

1шт.

12

87616449

HYD CONNECTOR

1шт.

Выбрано товаров: 12