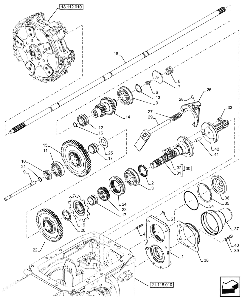
Запчасти Case IH FARMALL 90V (31.114.040) - VAR - 330808 - PTO 540/1000 RPM, SHAFT, TRANSMISSION, GEAR (31) - IMPLEMENT POWER TAKE OFF

Схема запчастей Case IH FARMALL 90V - (31.114.040) - VAR - 330808 - PTO 540/1000 RPM, SHAFT, TRANSMISSION, GEAR (31) - IMPLEMENT POWER TAKE OFF
21.118.010
35
30
36
12
33
9
29
10
27
17
22
11
25
31
14
34
42
3
26
21
13
17
1
5
39
2
6
18
7
23
4
40
37
19
41
28
20
38
32
15
3
16
8
24
18.112.010
FIT
1:1
100%

Артикул

Название

Примечание

Количество

1

5187934

COVER

1шт.

2

5124606

SEAL,50mm ID x 65mm OD x 8mm Thk

1шт.

3

5168238

BALL BEARING,40mm ID x 90mm OD x 23mm W

2шт.

4

13543624

STUD,M8 x 1.25 x 46mm L, 22 Thd, Cl 8.8

6шт.

5

16100811

NUT,Hex, M8, 6.80mm, Cl 8, ZND

6шт.

6

47130774

PIN,13.5mm OD x 22mm L

1шт.

7

47131175

BRAKE DISC,14mm ID x 70mm OD x 4mm Thk

1шт.

8

47132279

SPRING,Compression, 33mm OD x 29mm L

1шт.

9

5180676

PIN,12mm Od x 191.5mm L

1шт.

10

5122985

NUT,Ring, M32, 1.5 Pitch

1шт.

11

20045200

BALL BEARING,35mm ID x 80mm OD x 21mm

1шт.

12

5173210

NEEDLE BEARING,Needle, 43mm ID x 58mm OD x 22mm W

1шт.

13

370006

SNAP RING,M40, Ext

1шт.

14

48028579

PTO SHAFT,138mm L, 10/16/26T

138mm, Z 12

1шт.

15

84478101

GEAR,52T

Z 58

1шт.

16

11058076

SNAP RING,M22, Int

1шт.

17

5124668

BUSHING,38mm ID x 46mm OD x 28mm L

2шт.

18

47451312

SHAFT,1496mm L, 10T

1477mm

1шт.

19

87302766

DISC,38.1mm ID x 152mm OD x 1.5mm Thk

1шт.

21

5103230

O-RING,2.62mm Thk x 11.91mm ID

1шт.

20

87341678

THRUST WASHER,38.1mm ID x 58mm OD x 2.5mm Thk

1шт.

22

48028004

GEAR,26/52T

Z 52

1шт.

23

5130550

PINION,28T / 12T

Z 28, Z 12

1шт.

24

5130551

SLEEVE,70mm ID x 100mm OD x 20mm L

1шт.

25

5168181

THRUST WASHER,35.1mm ID x 50mm OD x 4mm Thk

1шт.

26

5180677

YOKE,16mm Hole Dia

1шт.

27

5149398

SPRING,Compression, 23mm OD x 48mm L

1шт.

28

14604070

LOCK PIN,M6 x 28, Slotted

1шт.

29

5180674

ROD,84.5mm L

1шт.

30

5177640

SHAFT

ASSY, Incl 31, 32

1шт.

31

NSS

NOT SOLD SEPARAT

Shaft, Incl in 30

1шт.

32

44012300

PIN,14mm OD x 37mm L

3шт.

33

16105025

LOCK NUT,M12 x 1.25, Cl 10

3шт.

34

14466080

O-RING,0.139" Thk x 3.984" ID, -242, Cl 5, 75 Duro

1шт.

35

11062976

SNAP RING,Int, M100 x 3

1шт.

36

47133662

COVER

1шт.

37

5171520

SHIELD,132mm L

1шт.

38

5155332

SEAL PROTECTION,115mm ID x 122mm OD x 29mm Thk

1шт.

39

83990583

LOCK WASHER,M8 x 14.8mm OD x 2.1mm Thk

4шт.

40

14306324

HEX SOC SCREW,M8 x 1.25 x 20mm, Cl 8.8, Full Thd

4шт.

41

13919570

ROLL PIN,M12 x 28, Coiled

1шт.

42

5185602

SHAFT,540 rpm, 6 Teeth

1шт.

Выбрано товаров: 42