Запчасти Case IH FARMALL 90V (33.202.090) - VAR - 336329 - 4WD FRONT AXLE, W/ ELECTROHYDRAULIC DIFFERENTIAL LOCK, W/ FRONT BRAKES, BRAKE LINES (33) - BRAKES & CONTROLS

Схема запчастей Case IH FARMALL 90V - (33.202.090) - VAR - 336329 - 4WD FRONT AXLE, W/ ELECTROHYDRAULIC DIFFERENTIAL LOCK, W/ FRONT BRAKES, BRAKE LINES (33) - BRAKES & CONTROLS
33.202.020
17
9
7
9
11
8
13
18
3
9
19
21
20
4
9
17
9
8
1
16
6
18
9
9
16
14
5
12
15
2
10
25.100.030
33.202.080
25.100.060
25.100.040
90.150.050
90.110.010
25.100.050
FIT
1:1
100%

Артикул

Название

Примечание

Количество

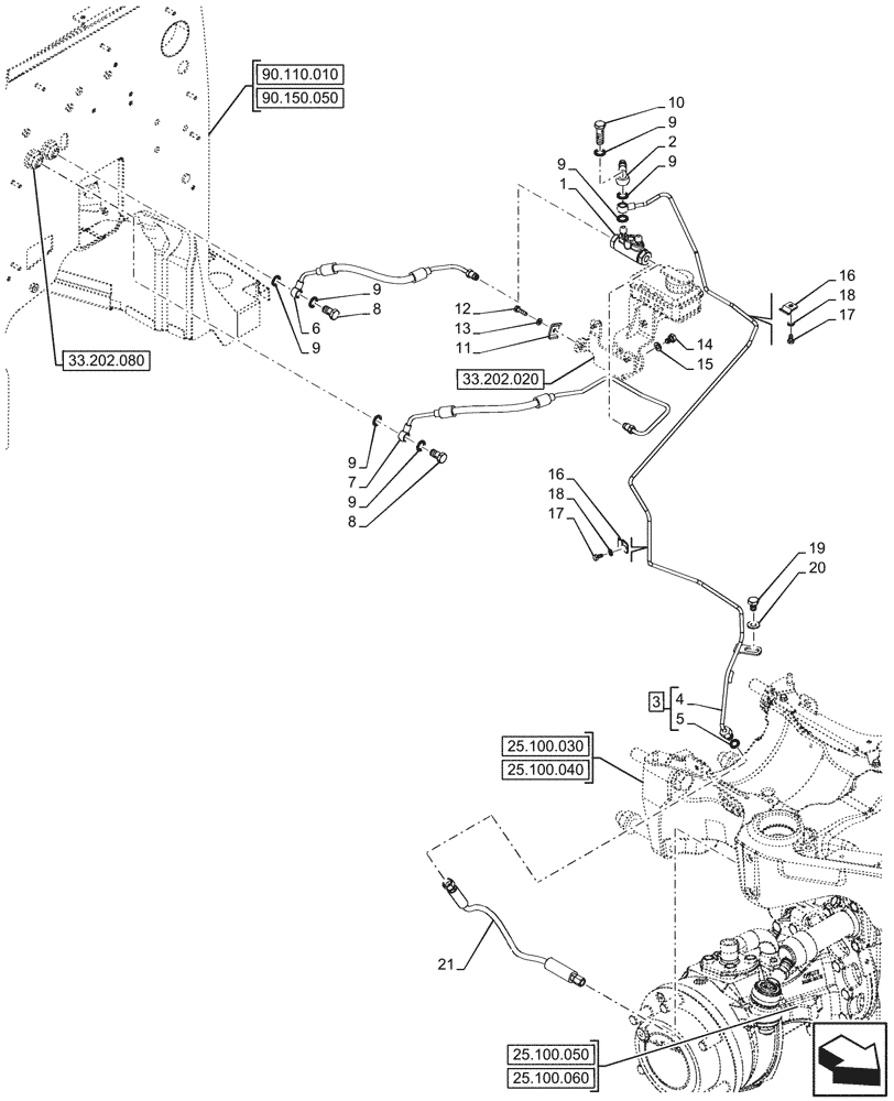
1

5143506

MASTER CYLINDER

Synchronizing

1шт.

2

82030175

BANJO FITTING,M8 x 1 x 53mm

1шт.

3

47734142

PIPE

ASSY, Control Brake, Incl 4, 5

1шт.

4

NSS

NOT SOLD SEPARAT

Pipe, Incl in 3

1шт.

5

9825770

O-RING,0.07" Thk x 0.301" ID, -11, Cl 6, 90 Duro

1шт.

6

47612215

PIPE

Brake Control

1шт.

7

47612225

PIPE

Brake Control

1шт.

8

5155703

BANJO BOLT,M12 x 1.25 x 22mm

2шт.

9

87356828

SEALING WASHER,12.00mm ID x 20.00mm OD x 1.50mm

7шт.

10

87392054

HYD CONNECTOR,M12 x 1 x 42.5mm L

1шт.

11

5161207

RETAINER COLLAR,7mm ID x 23mm L

1шт.

12

10902511

SCREW,HEX, M6 X 22mm

1шт.

13

11188074

BELLEVILLE WASHER,M6 Bolt Size x 12mm OD x 1.2mm Thk

1шт.

14

CAS2168745

SCREW,M8 x 12mm, Cl 8.8

1шт.

15

11193874

BELLEVILLE WASHER,M8 Bolt Size x 16mm OD x 1.4mm Thk

1шт.

16

84474589

BRACKET

2шт.

17

10902021

BOLT,Hex, M6 x 12mm, Cl 8.8

2шт.

18

11197774

BELLEVILLE WASHER,M6 Bolt Size x 12mm OD x 1.2mm Thk

2шт.

19

10979221

BOLT,Hex, M10 x 1.5 x 16mm, Cl 8.8

1шт.

20

84603129

BELLEVILLE WASHER,M10 Bolt Size x 22mm OD x 1.6mm Thk

M10 x 22

1шт.

21

47734183

PIPE

Brake Control

1шт.

Выбрано товаров: 21