Запчасти Case IH FARMALL 90V (37.108.050) - VAR - 342378, 342379, 342380, 342381, 744833 - LIFT-O-MATIC PLUS, CONTROL LEVER, CAB (37) - HITCHES, DRAWBARS & IMPLEMENT COUPLINGS

Схема запчастей Case IH FARMALL 90V - (37.108.050) - VAR - 342378, 342379, 342380, 342381, 744833 - LIFT-O-MATIC PLUS, CONTROL LEVER, CAB (37) - HITCHES, DRAWBARS & IMPLEMENT COUPLINGS
37.110.060
24
3
6
18
20
15
6
22
26
14
10
11
5
7
25
13
17
12
23
8
4
19
22
2
12
16
9
21
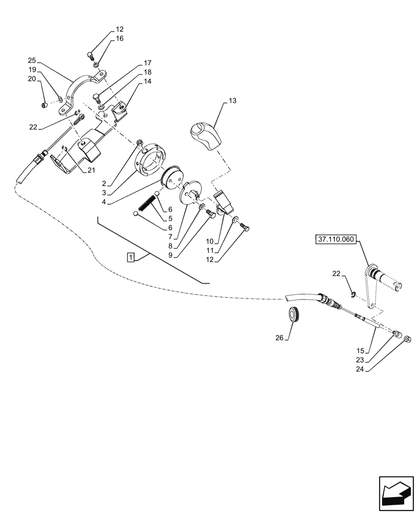
1
FIT
1:1
100%

Артикул

Название

Примечание

Количество

1

47463007

CONTROL UNIT

ASSY, Lift-O-Matic, Incl 2 - 11, 12 (Qty 1)

1шт.

2

13803170

SET SCREW,Hex Skt, M10 x 1.25 x 8mm

1шт.

3

87556156

RING,60mm OD x 15mm Thk

1шт.

4

NSS

NOT SOLD SEPARAT

Bracket, Incl in 1

1шт.

5

84174998

SPRING,Compression, 8.05mm OD x 38.3mm L

1шт.

6

20063470

BALL,7.9mm OD

2шт.

7

NSS

NOT SOLD SEPARAT

Lever, Incl in 1

1шт.

8

14499301

WASHER,M6 x 12.00mm OD x 1.60mm Overwrite

2шт.

9

10902121

SCREW,Hex, M6 x 14mm, Cl 8.8

2шт.

10

47463438

LEVER

1шт.

11

13550207

WASHER,6.15mm ID x 13mm OD x 1mm Thk

1шт.

12

10977827

BOLT,Hex, M5 x 16mm, Cl 8.8

3шт.

13

47056498

KNOB

1шт.

14

47463030

BRACKET

1шт.

15

47463018

CABLE,2112mm L

Lift-O-Matic

1шт.

16

86625261

WASHER,5.5mm ID x 10mm OD x 1mm Thk

2шт.

17

86508568

BOLT,Hex, M6 x 1 x 16mm, Cl 8.8

2шт.

18

12639701

WASHER,6.15mm ID x 11mm OD x 1mm Thk

2шт.

19

12601174

WAVE WASHER,Wave, M4.3

2шт.

20

14304021

HEX SOC SCREW,M5 x 10mm, Cl 8.8

2шт.

21

11087874

CIRCLIP,M6

1шт.

22

11087674

WASHER,4mm, CST DAC

2шт.

23

5138330

PIN,5mm OD x 17.5mm L

1шт.

24

12574211

NUT,M6 x 1, Cl 8

1шт.

25

47463021

BRACKET

1шт.

26

47407870

GROMMET,13mm ID x 27mm OD x 8mm Thk

1шт.

Выбрано товаров: 26