Запчасти Case IH FARMALL 90V (55.020.030) - VAR - 330273 - TRANSMISSION, SENSOR, HI-LO (55) - ELECTRICAL SYSTEMS

Схема запчастей Case IH FARMALL 90V - (55.020.030) - VAR - 330273 - TRANSMISSION, SENSOR, HI-LO (55) - ELECTRICAL SYSTEMS
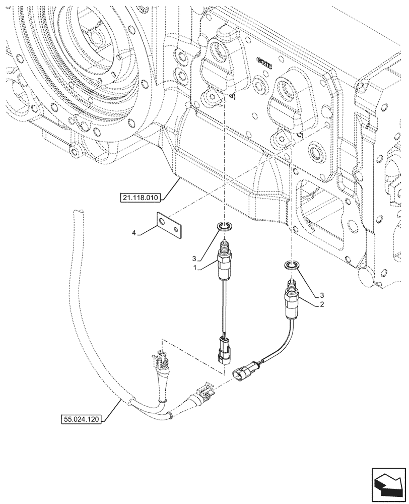
55.024.120
1
3
3
4
2
21.118.010
FIT
1:1
100%

Артикул

Название

Примечание

Количество

1

87585980

SWITCH

1шт.

2

87585979

SWITCH

1шт.

3

5169544

SEAL,14.7mm ID x 22mm OD x 1.5mm Thk

2шт.

4

84226414

BRACKET

1шт.

Выбрано товаров: 4