Запчасти Case IH FARMALL 90V (55.050.060) - VAR - 759033 - AIR CONDITIONER, W/ SUPER ECO CAB, ACTUATOR, ELECTRIC BLOWER, FLOW DIVIDER, CAB (55) - ELECTRICAL SYSTEMS

Схема запчастей Case IH FARMALL 90V - (55.050.060) - VAR - 759033 - AIR CONDITIONER, W/ SUPER ECO CAB, ACTUATOR, ELECTRIC BLOWER, FLOW DIVIDER, CAB (55) - ELECTRICAL SYSTEMS
50.200.090
12
15
7
23
5
8
15
6
4
20
19
12
25
13
16
28
17
26
10
26
29
12
17
12
14
18
24
9
20
1
12
22
12
12
21
2
21
27
3
11
12
24
FIT
1:1
100%

Артикул

Название

Примечание

Количество

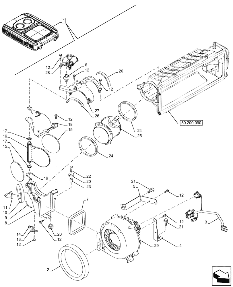
1

47978392

ROOF

ASSY, Incl 2 - 30

1шт.

See also Roof Components in Figure 50.100.050, 50.104.040, 50.200.090, 50.200.100, 55.050.040, 55.050.050, 55.404.220, 90.150.160

1шт.

2

48037129

GASKET,138mm ID x 168mm OD x 25mm Thk

1шт.

3

48037492

WIRE HARNESS

Blower

1шт.

4

47902834

BRACKET

1шт.

5

48023280

BRACKET

1шт.

6

47902804

ACTUATOR

1шт.

7

48037432

GASKET,96mm L x 12mm W x 8mm Thk

1шт.

8

47779846

COVER

1шт.

9

47902829

O-RING,3mm ID x 57mm L

1шт.

10

48037433

GASKET

1шт.

11

48037434

VALVE

1шт.

12

15516401

SELF-TAP SCREW,Self Tap, Hex, M4 x 2.5 x 16mm

18шт.

13

47902808

BRACKET

1шт.

14

47902807

SWITCH

1шт.

15

47902827

GASKET

2шт.

16

47779852

BUTTERFLY

1шт.

17

14450783

O-RING,13.4mm ID x 2.4mm Width

2шт.

18

47779843

TOP COVER

1шт.

19

47902830

O-RING,3mm ID x 81mm L

1шт.

20

48023282

BUMPER,10mm ID x 23mm OD x 8.5mm Thk

2шт.

21

16286024

FLANGE BOLT,Hex, M6 x 16, Full Thd, Cl 8.8

2шт.

22

10902614

BOLT,Hex, M6 x 25mm, Full Thd, 5.8 Cl

1шт.

23

47902859

SPACER,11mm OD x 14mm L

1шт.

24

48037117

GASKET,270mm L x 10mm W x 5mm Thk

2шт.

25

47902846

FLOW DIVIDER

1шт.

26

47902853

GASKET,130mm L x 7mm W x 5mm Thk

2шт.

27

47779848

COVER

1шт.

28

47902806

ACTUATOR

1шт.

29

47901184

ELECTRIC BLOWER

1шт.

Выбрано товаров: 30