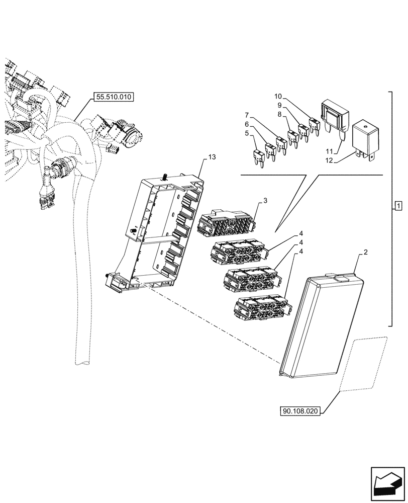
Запчасти Case IH FARMALL 90V (55.100.010) - VAR - 341065, 341066, 341375 - FUSE BOX, 4WD, CAB (55) - ELECTRICAL SYSTEMS

Схема запчастей Case IH FARMALL 90V - (55.100.010) - VAR - 341065, 341066, 341375 - FUSE BOX, 4WD, CAB (55) - ELECTRICAL SYSTEMS
55.510.010
10
7
11
6
5
13
4
3
8
1
4
9
4
12
2
90.108.020
FIT
1:1
100%

Артикул

Название

Примечание

Количество

1

47876258

WIRE HARNESS

ASSY, Incl 2 - 13

1шт.

See also Figure 55.510.010

1шт.

2

87314759

COVER

1шт.

3

87314761

FUSE HOLDER

1шт.

4

87314762

FUSE HOLDER

3шт.

5

84153830

FUSE,5A, Mini, Beige

15шт.

6

84152583

FUSE,7.5A, Mini, Brown

3шт.

7

84127702

FUSE,10A, Mini, Red

16шт.

8

84127703

FUSE,15A, Mini, Blue

4шт.

9

84127704

FUSE,20A, Mini, Yellow

1шт.

10

84127705

FUSE,25A, Mini, White

1шт.

11

84157159

FUSE,40A, Maxi, Orange

1шт.

12

84543528

RELAY,12V, 20A, Micro

14шт.

13

87314764

COVER

1шт.

Выбрано товаров: 0