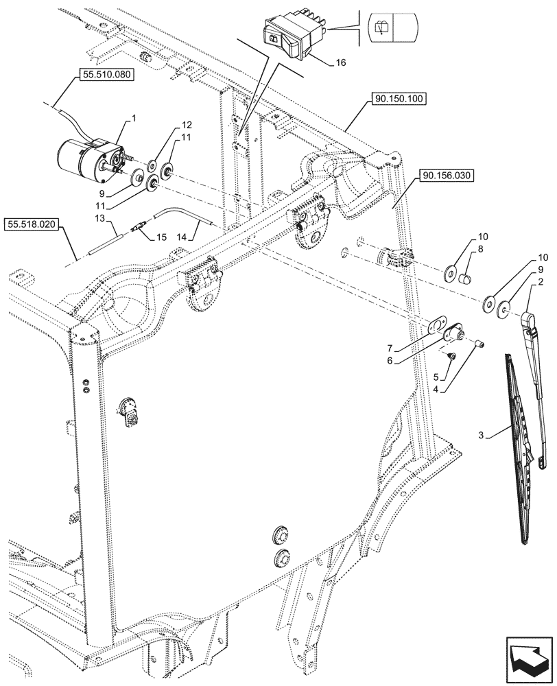
Запчасти Case IH FARMALL 90V (55.518.070) - VAR - 330642 - REAR, WIPER, CAB (55) - ELECTRICAL SYSTEMS

Схема запчастей Case IH FARMALL 90V - (55.518.070) - VAR - 330642 - REAR, WIPER, CAB (55) - ELECTRICAL SYSTEMS
90.156.030
12
9
10
9
15
3
14
11
11
10
1
4
8
7
16
5
13
6
2
55.518.020
55.510.080
90.150.100
FIT
1:1
100%

Артикул

Название

Примечание

Количество

1

84173767

WIPER MOTOR,12V, 2 SPD

12V, 2 SPD

1шт.

2

87319978

WIPER ARM,Single, 350mm L

1шт.

3

87319976

WIPER BLADE,450mm L

1шт.

4

44911649

NOZZLE

1шт.

5

5182240

SCREW,7 x 9.5mm

2шт.

6

79086238

SUPPORT

1шт.

7

79086254

GASKET,2x4/20mm OD

1шт.

8

5132136

CAP COVER,M8

1шт.

9

81872309

SPACER,8.2mm ID x 36mm OD x 10.2mm L

2шт.

10

83995356

RUBBER SEAL,13mm ID x 35mm OD x 3mm L

2шт.

11

83961985

SPACER,12.6mm ID x 18mm OD x 6.5mm L

2шт.

12

12626224

WASHER,10.2mm ID x 25mm OD x 3mm Thk

1шт.

13

84209225

HOSE,4mm ID x 3100mm L

3100mm

1шт.

14

84209221

HOSE,4mm ID x 150mm L

150mm

1шт.

15

5136113

VALVE

1шт.

16

87376616

REAR WIPER SWITCH

1шт.

Выбрано товаров: 16