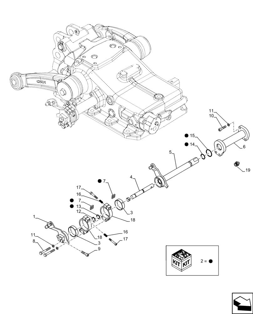
Запчасти Case IH FARMALL 100C (37.110.AK[01]) - VAR - 390831 - REAR, HYDRAULIC LIFT, CONTROL LEVER (37) - HITCHES, DRAWBARS & IMPLEMENT COUPLINGS

Схема запчастей Case IH FARMALL 100C - (37.110.AK[01]) - VAR - 390831 - REAR, HYDRAULIC LIFT, CONTROL LEVER (37) - HITCHES, DRAWBARS & IMPLEMENT COUPLINGS
6
4
2
2
7
13
9
7
12
16
2
19
2
5
18
11
1
16
2
14
18
15
2
10
17
2
8
17
3
3
11
FIT
1:1
100%

Артикул

Название

Примечание

Количество

1

84263004

TRIP ARM

1шт.

2

84562042

GASKET KIT

Incl 7, 13 - 15

1шт.

Include also Gasket in Figure 37.110.AI (01), 37.110.AM (02), 37.110.AQ (01)

1шт.

3

84188558

CLUTCH

2шт.

4

84560174

SHAFT

1шт.

5

84560176

LEVERSHAFT

1шт.

6

84560180

SUPPORT

1шт.

7

84357659

RUBBER SEAL

2шт.

8

16044321

BOLT,M8 x 1.25 x 55mm, Cl 8.8

2шт.

9

86625221

HEX SOC SCREW,M8 x 30mm, Cl 8.8

1шт.

10

86625220

HEX SOC SCREW,M8 x 25mm, Cl 8.8

2шт.

11

87016619

LOCK WASHER,M8

4шт.

12

84188564

SNAP RING

1шт.

13

14456980

O-RING,10.77mm ID x 2.62mm

1шт.

14

14457580

O-RING,0.103" Thk x 0.799" ID, -117, Cl 5, 75 Duro

1шт.

15

14463180

O-RING,0.921" ID x 0.139" Width

1шт.

16

84188566

SPRING

2шт.

17

14305821

HEX SOC SCREW,M6 x 40mm, Cl 8.8

2шт.

18

84188557

HUB

1шт.

19

321204

LUBE NIPPLE,M6 x 1.0 x 16mm OAL

1шт.

Выбрано товаров: 20