Запчасти Case IH FARMALL 100C (82.300.AX[04]) - VAR - 336732 - LOADER BUCKET, QUICK COUPLER, W/O SELF-LEVELING (82) - FRONT LOADER & BUCKET

Схема запчастей Case IH FARMALL 100C - (82.300.AX[04]) - VAR - 336732 - LOADER BUCKET, QUICK COUPLER, W/O SELF-LEVELING (82) - FRONT LOADER & BUCKET
13
14
15
15
14
3
2
6
8
12
11
11
10
17
1
4
13
10
16
5
16
9
14
14
7
12
18
FIT
1:1
100%

Артикул

Название

Примечание

Количество

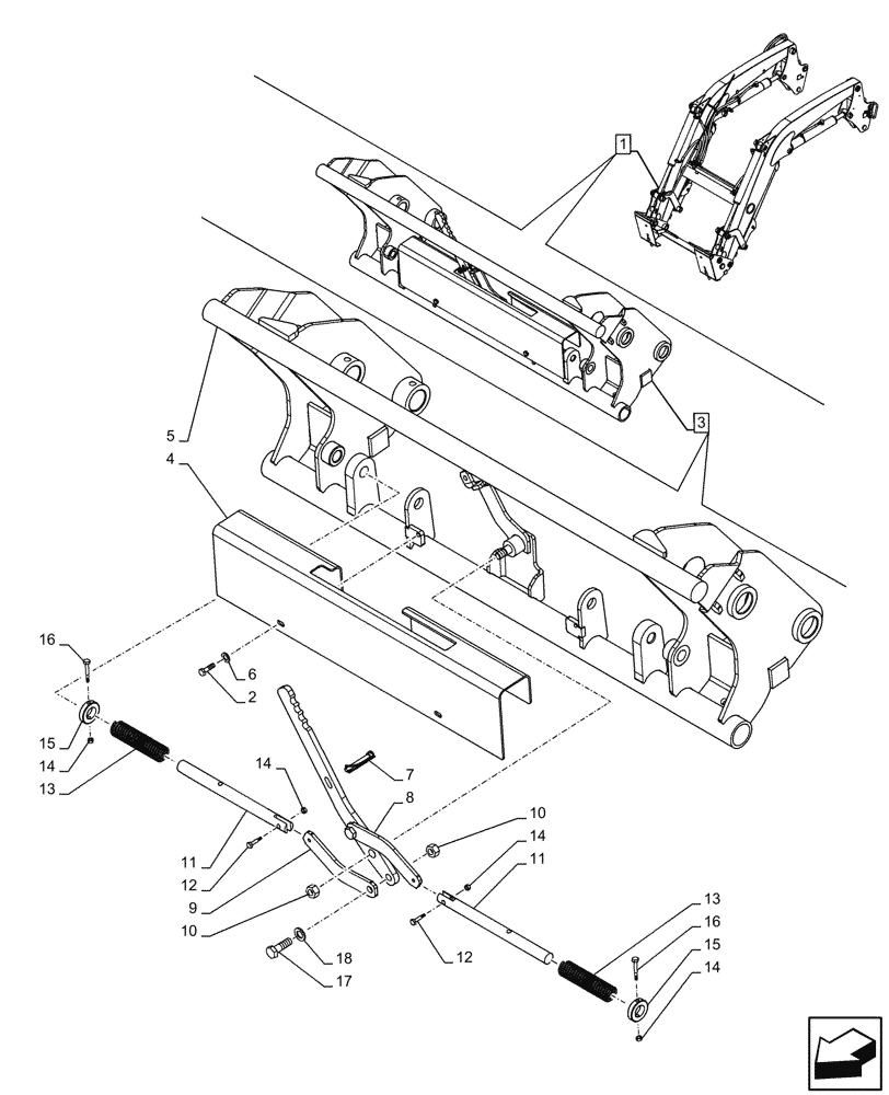
1

47556494

LOADER

ASSY, Incl 2 - 18

1шт.

See also Arm Loader Components in Figure 35.701.AX (01), 35.701.CB (03), 35.723.AA (03), 35.723.AB (02), 82.100.AA (02), 82.100.AF (01), 82.100.AF (02), 82.100.BG (01), 82.300.AB (02), 82.300.AY (02), 90.108.AB (09), 90.108.AC (26)

1шт.

EU Tool Attach.

1шт.

1

47592511

LOADER

ASSY, Incl 2 - 18

1шт.

See also Arm Loader Components in Figure 35.701.AX (01), 35.701.CB (03), 35.723.AA (03), 35.723.AB (02), 82.100.AA (02), 82.100.AF (01), 82.100.AF (02), 82.100.BG (01), 82.300.AB (02), 82.300.AY (02), 90.108.AB (09), 90.108.AC (26)

1шт.

EU Tool Attach.

1шт.

2

43233

BOLT,Hex, M8 x 1.25 x 20mm, Full Thd, Cl 10.9

2шт.

3

47452093

QUICK-HITCH

1шт.

4

47474726

COVER

1шт.

5

47474717

QUICK-HITCH

1шт.

6

14496504

WASHER,8.4mm ID x 17mm OD x 1.6mm Thk

2шт.

7

84406127

PIN

1шт.

8

47474724

LEVER

1шт.

9

47474725

LEVER

2шт.

10

100038

NUT,M12 x 1.75, Cl 8

3шт.

11

47474722

PIN

2шт.

12

86508566

BOLT,Hex, M5 x 30mm, Cl 8.8

2шт.

13

47474727

SPRING

2шт.

14

43440

LOCK NUT,M5 x .8, Cl 8

4шт.

15

47474723

LOCK PIN

2шт.

16

10978821

BOLT,Hex, M5 x 50mm, Cl 8.8

2шт.

17

9824642

BOLT,M12 x 1.75 x 42.68mm, Cl 10.9

2шт.

18

86511324

WASHER,13mm ID x 24mm OD x 2.5mm Thk

2шт.

Выбрано товаров: 0