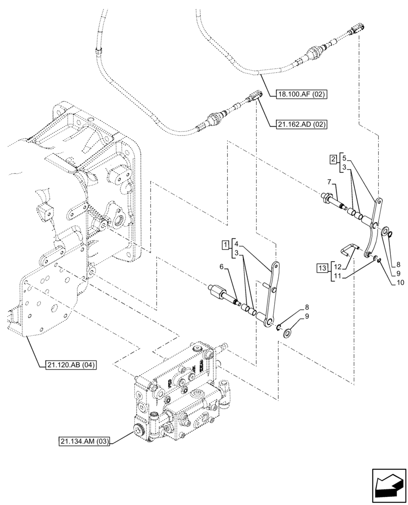
Запчасти Case IH FARMALL 100C (21.134.AI[05]) - VAR - 340101, 340102, 340103 - TRANSMISSION, POWERSHUTTLE, CONTROL LEVER, HI-LO (21) - TRANSMISSION

Схема запчастей Case IH FARMALL 100C - (21.134.AI[05]) - VAR - 340101, 340102, 340103 - TRANSMISSION, POWERSHUTTLE, CONTROL LEVER, HI-LO (21) - TRANSMISSION
10
1
4
3
21.120.ab (04)
8
21.134.am (03)
13
5
7
2
9
9
3
6
12
18.100.af (02)
21.162.ad (02)
11
8
FIT
1:1
100%

Артикул

Название

Примечание

Количество

1

84554219

IDLER LEVER

ASSY, Incl 3 (Qty 2), 4

1шт.

2

84554203

IDLER LEVER

ASSY, Incl 3 (Qty 2), 5

1шт.

3

47127805

BUSHING,12mm ID x 14mm OD x 15mm L

4шт.

4

NSS

NOT SOLD SEPARAT

Lever, Incl in 1

1шт.

5

NSS

NOT SOLD SEPARAT

Lever, Incl in 2

1шт.

6

84554208

PIN,M8 x 1.25 / M12 x 1.25, 106.5mm

M8 x 1.25 / M12 x 1.25, 106.5mm

1шт.

7

84349387

PIN,M8 x 1.25

1шт.

8

11066076

SNAP RING,M12, Ext

2шт.

9

14496701

WASHER,13.00mm ID x 24.00mm OD x 2.50mm, CST, ZND

2шт.

10

11087674

WASHER,4mm, CST DAC

4mm Ext

1шт.

11

83962575

WASHER,6.6mm ID x 12.5mm OD x 1.6mm Thk

1шт.

12

84554212

CONNECTING LINK

1шт.

13

84554213

CONNECTING LINK

ASSY, Incl 11, 12

1шт.

Выбрано товаров: 13