Запчасти Case IH FARMALL 100C (35.100.AH[02]) - VAR - 390832, 743597 - HYDRAULIC LIFT, OIL FILTER, LINE, PIPE, HI-LO, CAB (35) - HYDRAULIC SYSTEMS

Схема запчастей Case IH FARMALL 100C - (35.100.AH[02]) - VAR - 390832, 743597 - HYDRAULIC LIFT, OIL FILTER, LINE, PIPE, HI-LO, CAB (35) - HYDRAULIC SYSTEMS
35.220.ad
3
2
4
1
21.118.af (05)
35.220.ag
35.220.ae
FIT
1:1
100%

Артикул

Название

Примечание

Количество

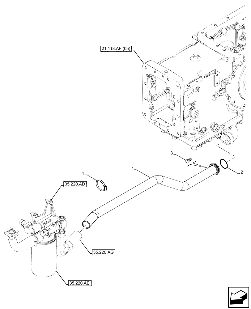
1

47470683

PIPE

Rear Suction

1шт.

2

5174527

O-RING,0.139" Thk x 1.984" ID, -226, Cl 5, 75 Duro

1шт.

3

16043221

BOLT,Hex, M8 x 16mm, Cl 8.8, Full Thd

1шт.

4

13000890

HOSE CLAMP,50mm - 70mm, Worm Gear

50 x 70

1шт.

Выбрано товаров: 4