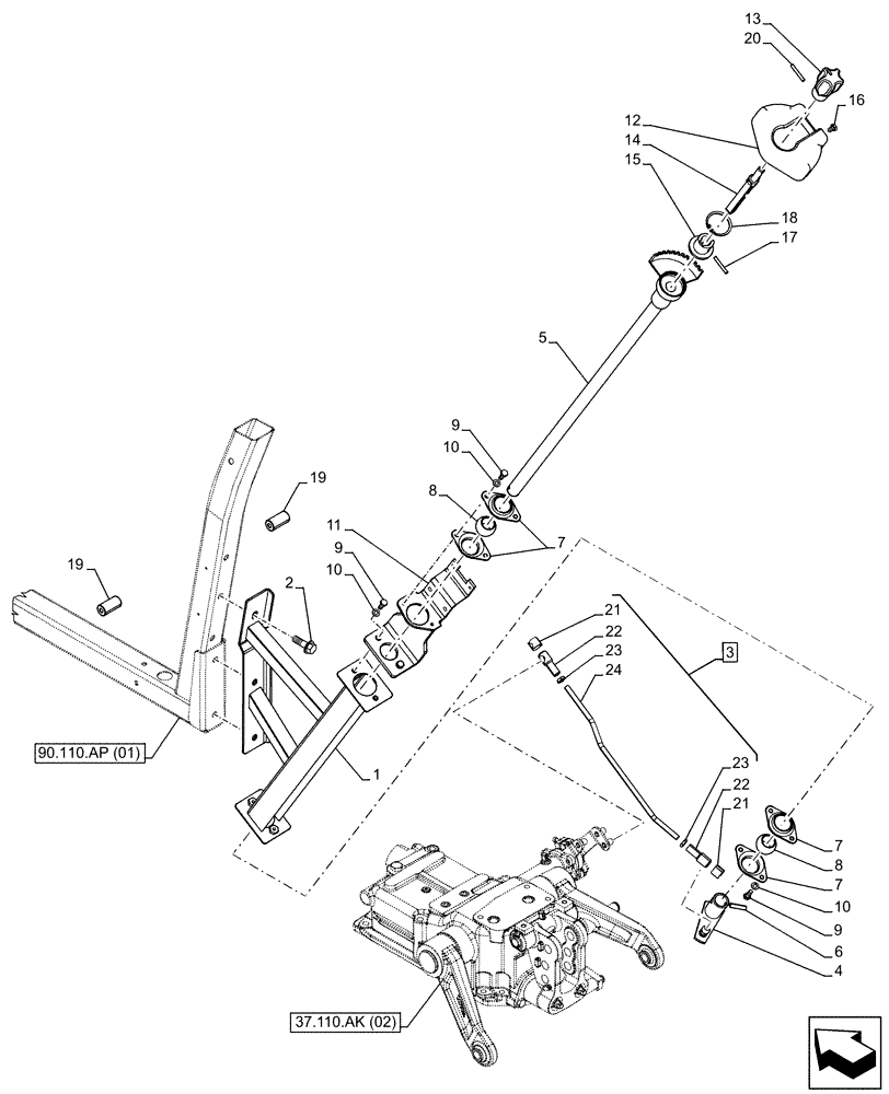
Запчасти Case IH FARMALL 100C (37.108.AD[02]) - VAR - 332035 - HYDRAULIC LIFT, CONTROL LEVER, W/O CAB (37) - HITCHES, DRAWBARS & IMPLEMENT COUPLINGS

Схема запчастей Case IH FARMALL 100C - (37.108.AD[02]) - VAR - 332035 - HYDRAULIC LIFT, CONTROL LEVER, W/O CAB (37) - HITCHES, DRAWBARS & IMPLEMENT COUPLINGS
90.110.ap (01)
7
15
2
21
9
10
23
3
7
19
22
24
5
16
17
12
22
9
8
14
7
10
18
4
8
6
20
13
10
19
23
11
9
21
1
10.ak (02)
FIT
1:1
100%

Артикул

Название

Примечание

Количество

1

47463907

BRACKET

1шт.

2

87698833

BOLT,M8 x 33.1mm, Cl 10.9

3шт.

3

47513803

TIE-ROD

ASSY, Incl 21 - 24

1шт.

4

47513805

LEVER

1шт.

5

47468638

CONTROL SHAFT

1шт.

6

13910170

ROLL PIN,M6 x 26, Coiled

1шт.

7

5110722

CUP

4шт.

8

5127536

BUSHING,20.5mm ID x 32mm OD

2шт.

9

86508568

BOLT,Hex, M6 x 1 x 16mm, Cl 8.8

6шт.

10

11197774

BELLEVILLE WASHER,M6 Bolt Size x 12mm OD x 1.2mm Thk

6шт.

11

47470958

BRACKET

Black

1шт.

12

5171028

COVER

1шт.

13

5144119

KNOB

1шт.

14

84564306

LEVER

1шт.

15

5171002

HUB

1шт.

16

10979424

BOLT,Hex, M6 x 10mm, Cl 8.8, Full Thd

2шт.

17

14164474

LOCK PIN,M4 x 32, Slotted

1шт.

18

11059974

SNAP RING,M40, Int

1шт.

19

47374853

SPACER,8.5mm ID x 25mm OD x 49.5mm L

2шт.

20

14601374

LOCK PIN,M5 x 30, Slotted

1шт.

21

10125574

CLAMP,13mm

2шт.

22

10124511

BALL JOINT HEAD,M13 x 45mm L, M8 Thread

2шт.

23

16102311

THIN NUT,Thin, M8 x 1.25, Cl 04

2шт.

24

NSS

NOT SOLD SEPARAT

Rod, Incl in 3

1шт.

Выбрано товаров: 24