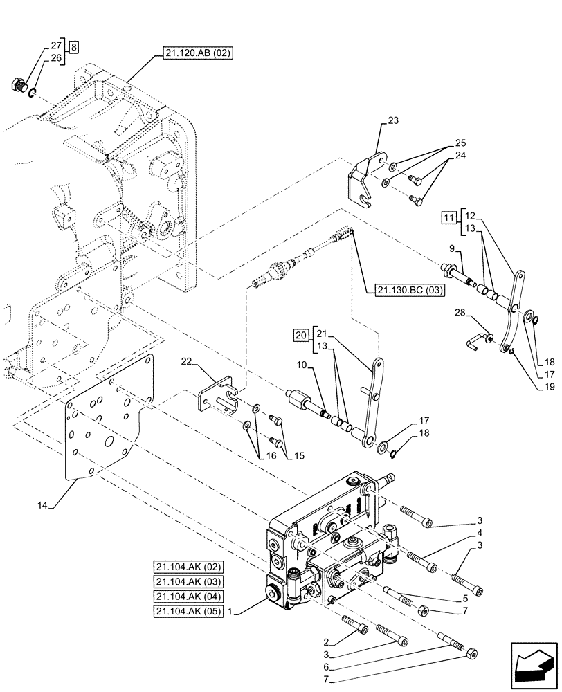
Запчасти Case IH FARMALL 105C (21.104.AK[01]) - VAR - 330276, 334176 - TRANSMISSION, PRESSURE CONTROL VALVE (21) - TRANSMISSION

Схема запчастей Case IH FARMALL 105C - (21.104.AK[01]) - VAR - 330276, 334176 - TRANSMISSION, PRESSURE CONTROL VALVE (21) - TRANSMISSION
21.104.ak (04)
2
16
13
3
9
25
27
8
17
22
18
3
11
19
7
21
10
1
23
20
13
5
15
7
18
17
24
3
6
4
26
12
28
14
21.104.ak (02)
21.104.ak (03)
21.130.bc (03)
21.120.ab (02)
21.104.ak (05)
FIT
1:1
100%

Артикул

Название

Примечание

Количество

1

47522509

VALVE, PRESSURE CONT

ASSY

1шт.

2

14307834

HEX SOC SCREW,M10 x 1.25 x 45mm, Cl 10.9

1шт.

3

14308131

HEX SOC SCREW,M10 x 1.25 x 60mm, Cl 10.9

3шт.

4

14308031

SCREW,Hex, M10 x 1.25 x 55mm

M10 x 1.25 x 55

1шт.

5

13450230

STUD,M10 x 1.25 x 55mm L

M10 x 1.25 x 55

1шт.

6

13454034

STUD,M10 x 1.25 x 45mm, Cl 10.9

M10 x 1.25 x 25 x 45

1шт.

7

10790121

NUT,Hex, M10 x 1.25

M10 x 1.25

2шт.

8

86981620

PLUG,M16 x 1.5, ORB

ASSY, Incl 26, 27

1шт.

9

84349387

PIN,M8 x 1.25

1шт.

10

84554208

PIN,M8 x 1.25 / M12 x 1.25, 106.5mm

1шт.

11

84554203

IDLER LEVER

ASSY, Incl 12, 13 (Qty 2)

1шт.

12

NSS

NOT SOLD SEPARAT

Lever, Incl in 11

1шт.

13

47127805

BUSHING,12mm ID x 14mm OD x 15mm L

4шт.

14

84581477

HALF-GASKET

1шт.

15

16586324

BOLT,Hex, M8 x 20mm, Cl 8.8, Full Thd

4шт.

16

10519604

WASHER,8.15mm ID x 17mm OD x 2mm Thk

4шт.

17

14496701

WASHER,13.00mm ID x 24.00mm OD x 2.50mm, CST, ZND

2шт.

18

11066076

SNAP RING,M12, Ext

2шт.

19

11087674

WASHER,4mm, CST DAC

1шт.

20

84554219

IDLER LEVER

ASSY, Incl 13 (Qty 2), 21

1шт.

21

NSS

NOT SOLD SEPARAT

Lever, Incl in 20

1шт.

22

84554063

BRACKET

1шт.

23

84563285

BRACKET

1шт.

24

16586324

BOLT,Hex, M8 x 20mm, Cl 8.8, Full Thd

4шт.

25

10519604

WASHER,8.15mm ID x 17mm OD x 2mm Thk

4шт.

26

86598100

O-RING,2.2mm Thk x 13.3mm ID, Cl 6, 90 Duro

1шт.

27

NSS

NOT SOLD SEPARAT

Plug, Incl in 8

1шт.

28

84554213

CONNECTING LINK

1шт.

Выбрано товаров: 28