Запчасти Case IH FARMALL 105C (21.104.AL[03]) - VAR - 330276, 334176, 743546 - TRANSMISSION LUBRICATION LINE (12X12) (12X12 CREEPER) - END YR 11-NOV-2013 (21) - TRANSMISSION

Схема запчастей Case IH FARMALL 105C - (21.104.AL[03]) - VAR - 330276, 334176, 743546 - TRANSMISSION LUBRICATION LINE (12X12) (12X12 CREEPER) - END YR 11-NOV-2013 (21) - TRANSMISSION
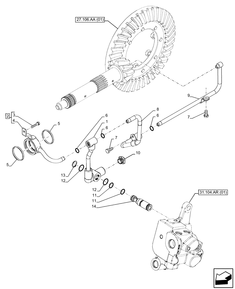
31.104.ar (01)
11
1
9
12
3
2
14
11
8
10
13
7
6
4
6
5
5
7
12
6
27.106.aa (01)
FIT
1:1
100%

Артикул

Название

Примечание

Количество

1

84364733

PIPE

Lubrication

1шт.

2

47368397

MANIFOLD

ASSY, Incl 3, 4, Years: -23-MAR-14

1шт.

2

47684265

MANIFOLD

ASSY, Incl 3, 4, Start Year: 24-MAR-14

1шт.

3

10902824

BOLT,Hex, M6 x 30mm, Cl 8.8

1шт.

4

NSS

NOT SOLD SEPARAT

Manifold, Incl in 2

1шт.

5

84350802

GASKET,45.94mm ID x 50mm OD x 4mm Thk

, Years: -23-MAR-14

2шт.

5

47684266

GASKET

, Start Year: 24-MAR-14

2шт.

6

14457080

O-RING,0.103" Thk x 0.487" ID, -112, Cl 5, 75 Duro

3шт.

7

16043414

BOLT,Hex, M8 x 1.25 x 20mm, Cl 5.8, Full Thd

2шт.

8

84350400

PIPE

Lubrication

1шт.

9

47604332

TUBE

Pinion Lubrication

1шт.

10

10300811

PLUG,M18 x 1.5 x 14, Cl5.8

2шт.

11

5135738

O-RING,0.103" Thk x 0.674" ID, -115, 80 Duro

2шт.

12

14457480

O-RING,18.72mm ID x 2.62mm Thk , -116, Cl 5

2шт.

13

11066676

SNAP RING,M18, Ext

1шт.

14

84524149

BANJO BOLT,21.95mm x 82.25mm

1шт.

Выбрано товаров: 16