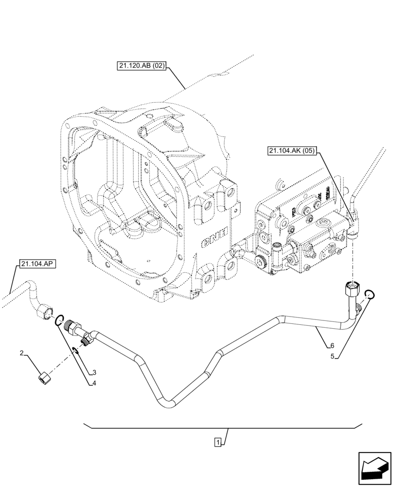
Запчасти Case IH FARMALL 105C (21.104.AL[05]) - VAR - 332069 - TRANSMISSION LUBRICATION LINE (21) - TRANSMISSION

Схема запчастей Case IH FARMALL 105C - (21.104.AL[05]) - VAR - 332069 - TRANSMISSION LUBRICATION LINE (21) - TRANSMISSION
21.104.ak (05)
3
4
2
6
1
21.120.ab (02)
21.104.ap
5
FIT
1:1
100%

Артикул

Название

Примечание

Количество

1

47369778

TUBE

From Valve to Oil Filter, ASSY, Incl 3 - 6

1шт.

2

9625546

CAP,11/16" - 16 ORFS

1шт.

3

9993141

O-RING,0.07" Thk x 0.364" ID, -12, Cl 6, 90 Duro

1шт.

4

9992069

O-RING,0.07" Thk x 0.614" ID, -16, Cl 6, 90 Duro

1шт.

5

9992298

O-RING,0.07" Thk x 0.489" ID, -14, Cl 6, 90 Duro

1шт.

6

NSS

NOT SOLD SEPARAT

Pipe, Incl in 1

1шт.

Выбрано товаров: 6