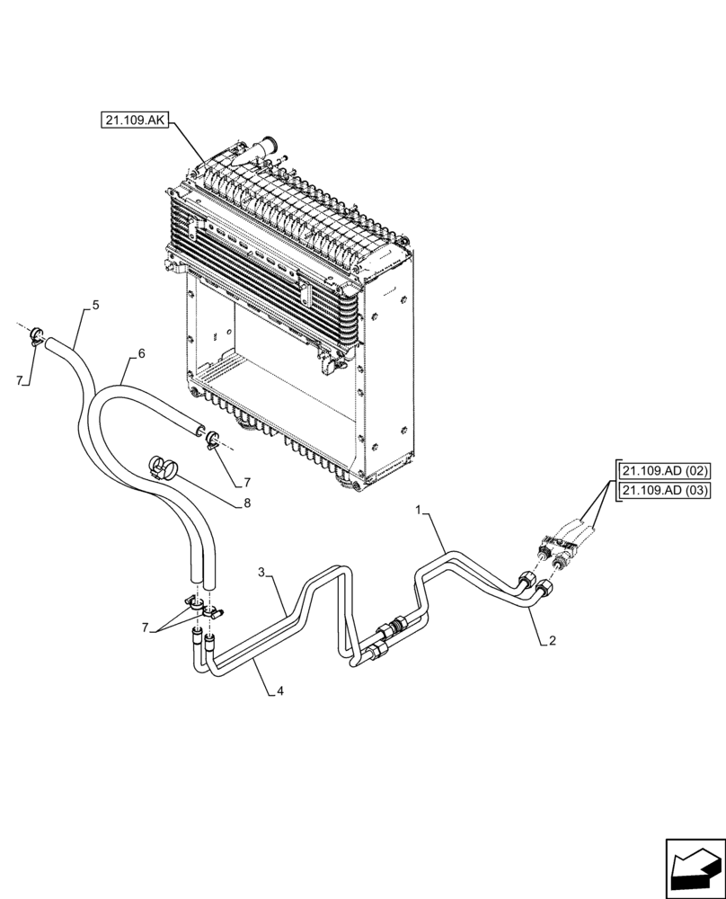
Запчасти Case IH FARMALL 105C (21.109.AD[01]) - VAR - 743524 - TRANSMISSION OIL, COOLER LINE (21) - TRANSMISSION

Схема запчастей Case IH FARMALL 105C - (21.109.AD[01]) - VAR - 743524 - TRANSMISSION OIL, COOLER LINE (21) - TRANSMISSION
7
7
5
6
4
7
2
21.109.ad (03)
8
21.109.ak
21.109.ad (02)
1
3
FIT
1:1
100%

Артикул

Название

Примечание

Количество

1

47370144

TUBE

To Cooler

1шт.

2

84473939

PIPE

From Cooler

1шт.

3

47384236

TUBE

To Cooler

1шт.

4

47384234

TUBE

From Cooler

1шт.

5

47406957

HOSE,19mm ID x 830mm L

To Cooler

1шт.

6

47415878

HOSE,19mm ID x 950mm L

From Cooler

1шт.

7

47471898

HOSE CLAMP,20mm - 32mm

4шт.

8

86991000

CLAMP

1шт.

Выбрано товаров: 8