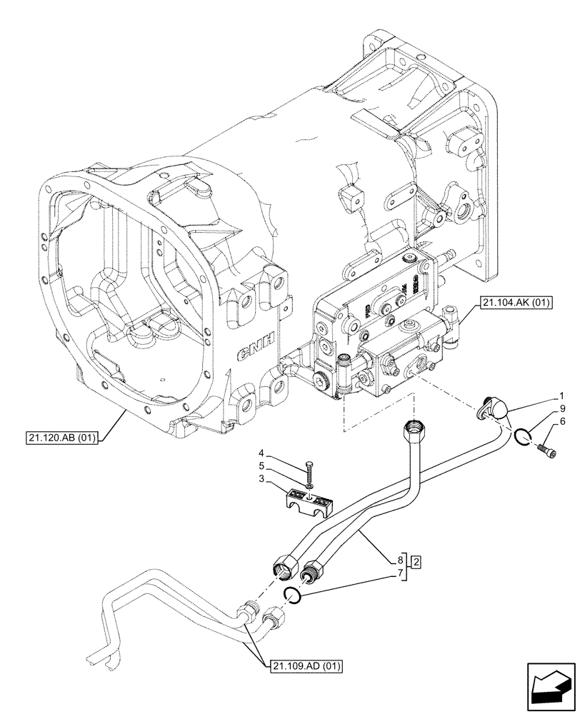
Запчасти Case IH FARMALL 105C (21.109.AD[03]) - VAR - 743524 - TRANSMISSION OIL, COOLER, LINE (21) - TRANSMISSION

Схема запчастей Case IH FARMALL 105C - (21.109.AD[03]) - VAR - 743524 - TRANSMISSION OIL, COOLER, LINE (21) - TRANSMISSION
7
21.109.ad (01)
6
2
21.120.ab (01)
3
1
5
21.104.ak (01)
4
9
8
FIT
1:1
100%

Артикул

Название

Примечание

Количество

1

84482096

PIPE

Delivery

1шт.

2

84482098

PIPE

Return, ASSY, Incl 7, 8

1шт.

3

84309294

FIXING PLATE

1шт.

4

10903021

SCREW,Hex, M6 x 35mm, Cl 8.8

1шт.

5

14499301

WASHER,M6 x 12.00mm OD x 1.60mm Overwrite

1шт.

6

14306324

HEX SOC SCREW,M8 x 1.25 x 20mm, Cl 8.8, Full Thd

1шт.

7

9992069

O-RING,0.07" Thk x 0.614" ID, -16, Cl 6, 90 Duro

1шт.

8

NSS

NOT SOLD SEPARAT

Pipe, Incl in 2

1шт.

9

14437885

O-RING,13.30mm ID x 2.40mm

1шт.

Выбрано товаров: 9