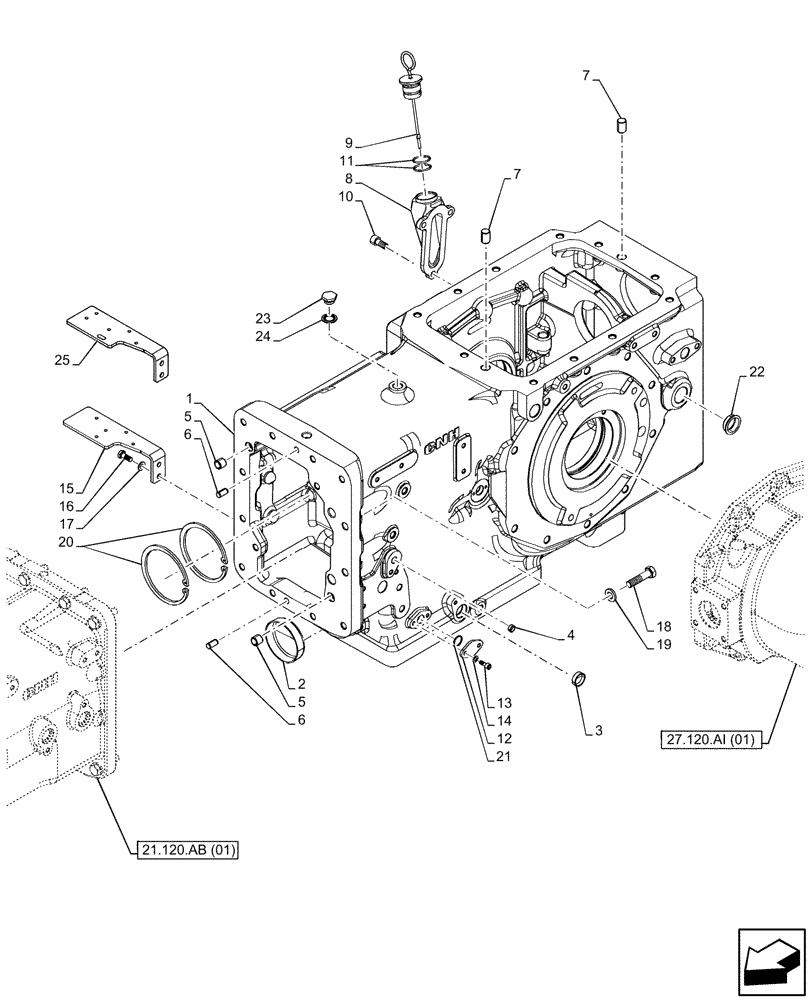
Запчасти Case IH FARMALL 105C (21.118.AF[02]) - VAR - 330581, 390328, 743559 - TRANSMISSION, DRIVE, HOUSING (21) - TRANSMISSION

Схема запчастей Case IH FARMALL 105C - (21.118.AF[02]) - VAR - 330581, 390328, 743559 - TRANSMISSION, DRIVE, HOUSING (21) - TRANSMISSION
19
25
18
8
5
6
23
6
14
2
15
12
13
1
7
7
3
21
5
4
21.120.ab (01)
22
10
16
11
24
27.120.ai (01)
17
9
20
FIT
1:1
100%

Артикул

Название

Примечание

Количество

1

47528216

AXLE HOUSING

1шт.

2

5139075

PLUG,80.5mm

1шт.

3

504344694

PLUG,M25, Tapered

1шт.

4

14328301

PLUG,M12, Tapered

1шт.

5

44908048

BUSHING,16mm OD x 14mm L

2шт.

6

4988170

PIN,10mm OD x 20mm L

2шт.

7

5119529

DOWEL,15mm OD x 22mm L

2шт.

8

5177062

NECK FILLER

1шт.

9

47544277

DIPSTICK

1шт.

10

14360121

HEX SOC SCREW,M10 x 1.25 x 22mm, Cl 8.8, Full Thd

3шт.

11

14457980

O-RING,0.103" Thk x 1.049" ID, -121, Cl 5, 75 Duro

2шт.

12

84350831

PLATE

1шт.

13

14305224

HEX SOC SCREW,M6 x 16mm, Cl 8.8, Full Thd

2шт.

14

12601279

WAVE WASHER,6.40mm ID x 12mm OD x 0.50mm, 2.60mm H, STL, ZND

2шт.

15

84385195

BRACKET

, Years: -09-FEB-14

1шт.

16

120104

BOLT,Hex, M8 x 1.25 x 20mm, Cl 8.8

2шт.

17

11193874

BELLEVILLE WASHER,M8 Bolt Size x 16mm OD x 1.4mm Thk

2шт.

18

15540834

BOLT,Hex, M12 x 1.25 x 50mm, Cl 10.9

2шт.

19

11198674

BELLEVILLE WASHER,M12 Bolt Size x 24mm OD x 3.2mm Thk

2шт.

20

11075476

SNAP RING,M110, Int

2шт.

21

14453480

O-RING,17.17mm ID x 1.78mm

1шт.

22

5160960

PLUG,30mm

1шт.

23

10300811

PLUG,M18 x 1.5 x 14, Cl5.8

1шт.

24

5186176

SEALING WASHER,15.80mm ID x 26.92mm OD x 1.50mm, Steel, Zinc

1шт.

25

47644371

BRACKET

, Start Year: 10-FEB-14

1шт.

Выбрано товаров: 25