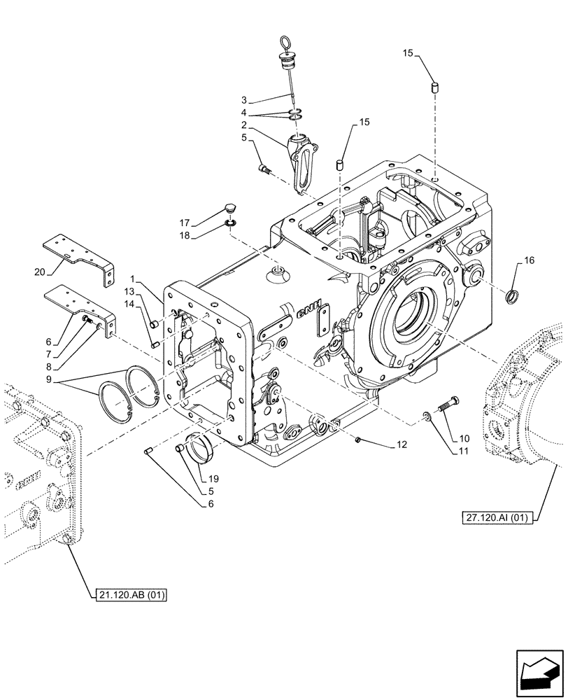
Запчасти Case IH FARMALL 105C (21.118.AF[03]) - VAR - 390328, 744580, 744581, 744990, 743559 - TRANSMISSION, DRIVE, HOUSING, 4WD (21) - TRANSMISSION

Схема запчастей Case IH FARMALL 105C - (21.118.AF[03]) - VAR - 390328, 744580, 744581, 744990, 743559 - TRANSMISSION, DRIVE, HOUSING, 4WD (21) - TRANSMISSION
9
15
20
12
18
1
4
15
5
14
11
5
10
13
6
7
19
21.120.ab (01)
27.120.ai (01)
6
17
3
8
2
16
FIT
1:1
100%

Артикул

Название

Примечание

Количество

1

47528216

AXLE HOUSING

1шт.

2

5177062

NECK FILLER

1шт.

3

47544277

DIPSTICK

1шт.

4

14457980

O-RING,0.103" Thk x 1.049" ID, -121, Cl 5, 75 Duro

2шт.

5

14360121

HEX SOC SCREW,M10 x 1.25 x 22mm, Cl 8.8, Full Thd

3шт.

6

84385195

BRACKET

, Years: -09-FEB-14

1шт.

7

120104

BOLT,Hex, M8 x 1.25 x 20mm, Cl 8.8

2шт.

8

11193874

BELLEVILLE WASHER,M8 Bolt Size x 16mm OD x 1.4mm Thk

2шт.

9

11075476

SNAP RING,M110, Int

2шт.

10

15540834

BOLT,Hex, M12 x 1.25 x 50mm, Cl 10.9

2шт.

11

11198674

BELLEVILLE WASHER,M12 Bolt Size x 24mm OD x 3.2mm Thk

2шт.

12

14328301

PLUG,M12, Tapered

1шт.

13

44908048

BUSHING,16mm OD x 14mm L

2шт.

14

4988170

PIN,10mm OD x 20mm L

2шт.

15

5119529

DOWEL,15mm OD x 22mm L

2шт.

16

5160960

PLUG,30mm

1шт.

17

10300811

PLUG,M18 x 1.5 x 14, Cl5.8

1шт.

18

5186176

SEALING WASHER,15.80mm ID x 26.92mm OD x 1.50mm, Steel, Zinc

1шт.

19

5139075

PLUG,80.5mm

1шт.

20

47644371

BRACKET

, Start Year: 10-FEB-14

1шт.

Выбрано товаров: 20