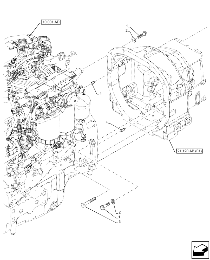
Запчасти Case IH FARMALL 105C (21.120.AB[04]) - VAR - 330069, 332069, 333068, 333069, 390068, 391069 - GEARBOX, MOUNTING PARTS (21) - TRANSMISSION

Схема запчастей Case IH FARMALL 105C - (21.120.AB[04]) - VAR - 330069, 332069, 333068, 333069, 390068, 391069 - GEARBOX, MOUNTING PARTS (21) - TRANSMISSION
1
10.001.ad
3
2
4
1
2
21.120.ab (01)
4
FIT
1:1
100%

Артикул

Название

Примечание

Количество

1

15540734

BOLT,Hex, M12 x 1.25 x 45mm, Cl 10.9

10шт.

2

11198674

BELLEVILLE WASHER,M12 Bolt Size x 24mm OD x 3.2mm Thk

10шт.

3

15541434

BOLT,M12 x 1.25 x 80mm

M12 x 1.25 x 80

2шт.

4

4658441

DOWEL,10mm OD x 20mm L

2шт.

Выбрано товаров: 4