Запчасти Case IH FARMALL 105C (21.154.AA[01]) - VAR - 330276, 334176 - CLUTCH (12X12 HYD PTO) (21) - TRANSMISSION

Схема запчастей Case IH FARMALL 105C - (21.154.AA[01]) - VAR - 330276, 334176 - CLUTCH (12X12 HYD PTO) (21) - TRANSMISSION
2
17
21.154.aa (03)
8
11
10
1
5
14
16
4
12
4
21.154.aa (02)
3
7
9
13
15
6
FIT
1:1
100%

Артикул

Название

Примечание

Количество

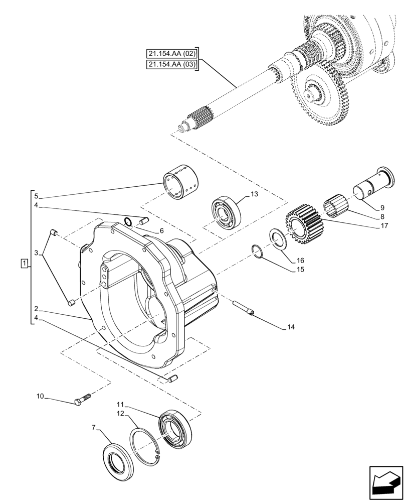
1

84582444

COVER

ASSY, Incl 2 - 5

1шт.

2

NSS

NOT SOLD SEPARAT

Gearbox, Incl in 1

1шт.

3

14536590

PLUG,10.00mm Dia x 19.80mm L

9шт.

4

4988170

PIN,10mm OD x 20mm L

2шт.

5

84580390

BUSHING,50mm ID x 62mm OD x 45.8mm L

1шт.

6

14457280

O-RING,0.103" Thk x 0.612" ID, -114, Cl 5, 75 Duro

3шт.

7

87610910

OIL SEAL,45mm ID x 85mm OD x 10mm Thk

1шт.

8

84340290

NEEDLE BEARING,32mm ID x 40mm OD x 36mm L

1шт.

9

47363901

CLEVIS PIN,32mm x 87mm

1шт.

10

86639209

BOLT,M8 x 1.25 x 40.45mm, Cl 10.9

8шт.

11

ST202

BEARING, BALL,45mm ID x 85mm OD x 19mm W

1шт.

12

800-2185

SNAP RING,M85 x 3, Int

1шт.

13

274199

BALL BEARING,30mm ID x 72mm OD x 19mm W

1шт.

14

84337006

PIN,7.9mm OD x 57mm L

1шт.

15

14457980

O-RING,0.103" Thk x 1.049" ID, -121, Cl 5, 75 Duro

1шт.

16

84336987

WASHER,32mm ID x 50mm OD x 3mm Thk

1шт.

17

47363899

GEAR,25T

Idler Drive 2ST

1шт.

Выбрано товаров: 17