Запчасти Case IH FARMALL 105C (21.154.AO[01]) - VAR - 330276, 390067, 743546 - TRANSMISSION, SHAFT & GEAR (8X8) (12X12) (21) - TRANSMISSION

Схема запчастей Case IH FARMALL 105C - (21.154.AO[01]) - VAR - 330276, 390067, 743546 - TRANSMISSION, SHAFT & GEAR (8X8) (12X12) (21) - TRANSMISSION
24
13
1
5
21.507.aj (01)
21
13
21
6
3
7
3
6
2
16
22
27
4
20
26
19
20
3
3
11
3
17
25
6
9
14
3
3
8
6
10
23
17
18
12
12
15
FIT
1:1
100%

Артикул

Название

Примечание

Количество

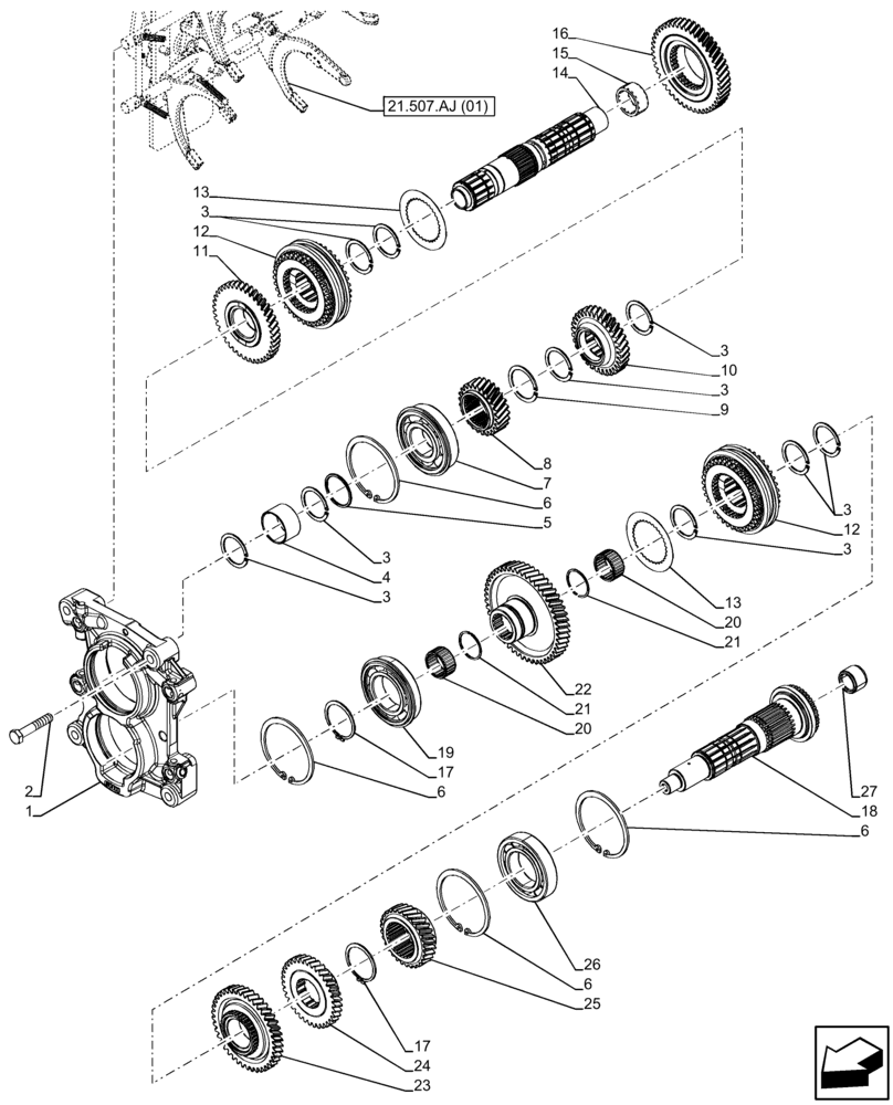
1

47379370

WALL

1шт.

2

15541124

SCREW,Hex, M12 x 1.25 x 65mm, Cl 8.8

4шт.

3

11386776

SNAP RING,M45, Ext

9шт.

4

47367670

SPACER,45.1mm ID x 50mm OD x 28.6mm L

1шт.

5

84342919

SPACER,45.1mm ID x 52mm OD x 2.5mm L

1шт.

6

11062976

SNAP RING,Int, M100 x 3

4шт.

7

47384223

BALL BEARING,45mm ID x 100mm OD x 25mm W

1шт.

8

84247723

GEAR,25T

DRIVE 1 SPEED

1шт.

9

84347162

LOCKING RING

1шт.

10

47517762

GEAR

DRIVE 2 SPEED, Years: -23-MAR-14

1шт.

10

47683708

GEAR,32T

DRIVE 2 SPEED, Start Year: 24-MAR-14

1шт.

11

47383210

GEAR,40T

DRIVE 3 SPEED

1шт.

12

84339938

SYNCHRONIZER

2шт.

13

84471203

WASHER,64mm ID x 93mm OD x 0.5mm Thk

2шт.

14

47612854

SHAFT

, Years: -23-MAR-14

1шт.

14

47684738

SHAFT

, Start Year: 24-MAR-14

1шт.

15

84273452

ROLLER BEARING,35mm ID x 45mm OD x 19.8mm W

1шт.

16

84247742

GEAR,46T

DRIVE 4 SPEED

1шт.

17

11069576

SNAP RING,M55, Ext

2шт.

18

47367088

SHAFT

Shaft

1шт.

19

47384247

BALL BEARING,55mm ID x 100mm OD x 21mm W

1шт.

20

5119556

NEEDLE BEARING CAGE,35mm ID x 42mm OD x 20mm W

2шт.

21

5124473

SNAP RING,1.5mm Thk, Int

2шт.

22

47365379

GEAR,49T

DRIVEN 1 SPEED

1шт.

23

47383209

GEAR,41T

DRIVEN 2 SPEED

1шт.

24

47383212

GEAR,35T

DRIVEN 3 SPEED

1шт.

25

47383193

GEAR,29T

DRIVEN 4 SPEED

1шт.

26

87562562

BALL BEARING,55mm ID x 100mm OD x 21mm W

1шт.

27

84516644

ROLLER BEARING,Needle, 25mm ID x 35mm OD x 24.8mm W

1шт.

Выбрано товаров: 29