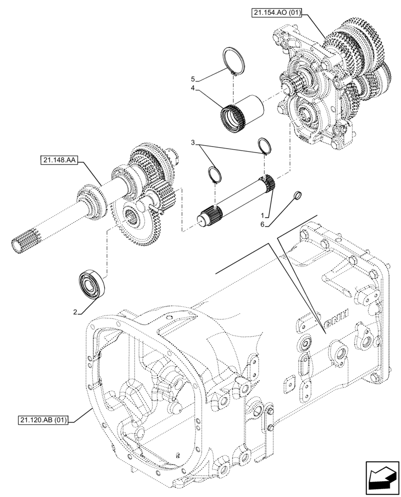
Запчасти Case IH FARMALL 105C (21.154.AO[03]) - VAR - 390067, 743546 - TRANSMISSION, REDUCTION, UNIT, CONTROL (8X8) (12X12) (21) - TRANSMISSION

Схема запчастей Case IH FARMALL 105C - (21.154.AO[03]) - VAR - 390067, 743546 - TRANSMISSION, REDUCTION, UNIT, CONTROL (8X8) (12X12) (21) - TRANSMISSION
4
21.154.ao (01)
5
2
3
1
21.148.aa
6
21.120.ab (01)
FIT
1:1
100%

Артикул

Название

Примечание

Количество

1

47367574

SHAFT

DRIVEN INPUT

1шт.

2

23111990

BALL BEARING,30 mm ID x 72 mm OD x 19 mm

1шт.

3

11068876

SNAP RING,M40, Ext

2шт.

4

47363897

SLEEVE,46.5mm ID x 63.2mm OD x 89.8mm L

1шт.

5

11070276

SNAP RING,M68, Ext

1шт.

6

14328701

PLUG,M20, Tapered

1шт.

Выбрано товаров: 6