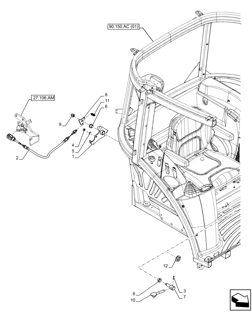
Запчасти Case IH FARMALL 105C (27.106.AL) - VAR - 390381 - DIFFERENTIAL LOCK, PEDAL (27) - REAR AXLE SYSTEM

Схема запчастей Case IH FARMALL 105C - (27.106.AL) - VAR - 390381 - DIFFERENTIAL LOCK, PEDAL (27) - REAR AXLE SYSTEM
6
1
12
5
27.106.am
4
6
2
8
9
3
7
11
10
90.150.ac (01)
FIT
1:1
100%

Артикул

Название

Примечание

Количество

1

84291744

PLATE

1шт.

2

84407973

FLEXIBLE CONTROL

Differential Lock

1шт.

3

440435

ROLL PIN,M5 x 24, Slotted

1шт.

4

16100811

NUT,Hex, M8, 6.80mm, Cl 8, ZND

2шт.

5

14496521

WASHER,8.4mm ID x 17mm OD x 1.6mm Thk

2шт.

6

84291747

BUSHING,14mm ID x 19mm OD x 12.5mm L

2шт.

7

84291749

PIN,14mm OD x 45mm L

1шт.

8

84292023

PLATE

1шт.

9

14054911

NUT,Dome Hex, M10 x 1.25

M10 x 1.25

1шт.

10

84338850

PEDAL

Differential Lock

1шт.

11

5090988

SPRING,12mm OD x 50mm

1шт.

12

81862738

PLUG,M38 x 28 x 5mm

1шт.

Выбрано товаров: 12