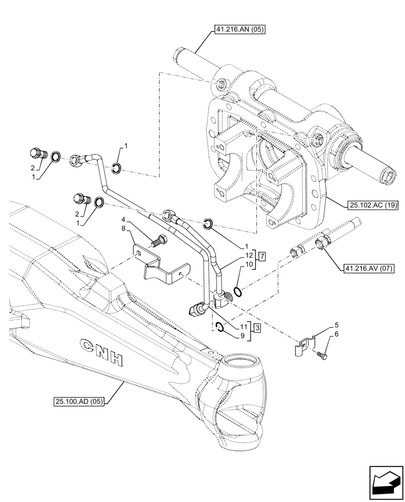
Запчасти Case IH FARMALL 105C (41.200.AO[04]) - VAR - 744581 - FRONT AXLE, LUBRICATION LINE, 4WD, HEAVY DUTY (41) - STEERING

Схема запчастей Case IH FARMALL 105C - (41.200.AO[04]) - VAR - 744581 - FRONT AXLE, LUBRICATION LINE, 4WD, HEAVY DUTY (41) - STEERING
5
1
1
9
3
12
4
2
41.216.av (07)
2
1
6
8
11
7
41.216.an (05)
10
25.102.ac (19)
25.100.ad (05)
1
FIT
1:1
100%

Артикул

Название

Примечание

Количество

1

87391188

SEAL,14mm ID x 22mm OD x 1.5mm Thk

4шт.

2

87736840

BOLT,M14 x 1.5 x 30mm

M14 x 1.5 x 30

2шт.

3

47505925

TUBE

ASSY, Incl 9, 11

1шт.

4

15970721

SCREW,Hex, M10 x 1.25 x 25mm, Cl 8.8, Full Thd

1шт.

5

4999554

CLAMP,2 Hoses

1шт.

6

10902224

SCREW,Hex, M6 x 16mm, Cl 8.8, Full Thd

1шт.

7

84384187

TUBE

ASSY, Incl 10, 12

1шт.

8

84384195

BRACKET

1шт.

9

9993141

O-RING,0.07" Thk x 0.364" ID, -12, Cl 6, 90 Duro

1шт.

10

9992298

O-RING,0.07" Thk x 0.489" ID, -14, Cl 6, 90 Duro

1шт.

11

NSS

NOT SOLD SEPARAT

Pipe, Incl in 3

1шт.

12

NSS

NOT SOLD SEPARAT

Pipe, Incl in 7

1шт.

Выбрано товаров: 12