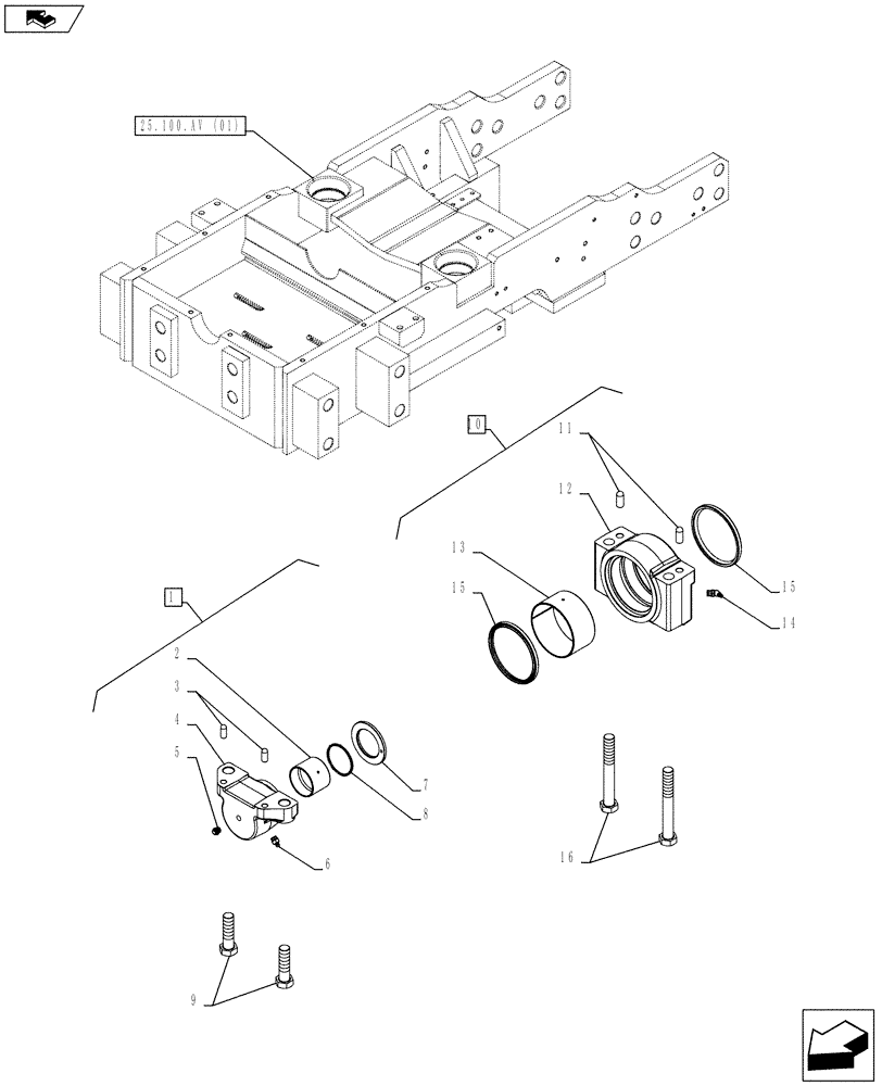
Запчасти Case IH FARMALL 105C (25.100.AI[01]) - FRONT AXLE, ARTICULATION, SUPPORT, 4WD (25) - FRONT AXLE SYSTEM

Схема запчастей Case IH FARMALL 105C - (25.100.AI[01]) - FRONT AXLE, ARTICULATION, SUPPORT, 4WD (25) - FRONT AXLE SYSTEM
4
13
7
25.100.av (01)
16
14
8
11
10
6
5
12
3
1
9
home
15
15
2
FIT
1:1
100%

Артикул

Название

Примечание

Количество

1

5140452

SUPPORT

ASSY, Incl 2 - 6

1шт.

2

5101112

BUSHING,52.72mm ID x 57.16mm OD x 42mm L

1шт.

3

10837710

DOWEL,M10 x 25

2шт.

4

NSS

NOT SOLD SEPARAT

Support, Incl in 1

1шт.

5

13411117

VALVE PRESSURE RELIE,M10, Black

1шт.

6

13407211

LUBE NIPPLE,M10 x 1

1шт.

7

5140456

RING,52.8mm ID x 80mm OD x 5mm Thk

1шт.

8

14471380

O-RING,0.21" Thk x 2.1" ID, -330, Cl 5, 75 Duro

1шт.

9

14272034

LOCK BOLT,Hex, M18 x 1.5 x 65mm, Cl 10.9

2шт.

10

47131328

SUPPORT

ASSY, Incl 12 - 14

1шт.

11

10837810

DOWEL,M12 x 30.00mm

2шт.

12

NSS

NOT SOLD SEPARAT

Support, Incl in 10

1шт.

13

5129385

BUSHING,99.15mm ID x 103.7mm OD x 52mm L

1шт.

14

13407811

LUBE NIPPLE,Angled - 45 Degree, M10 x 1 x 27.00mm

1шт.

15

5188609

SEALING RING,99.04mm ID x 115mm OD x 7.5mm Thk

2шт.

16

14272934

BOLT,Hex, M18 x 1.5 x 140mm, Cl 10.9

2шт.

Выбрано товаров: 16