Запчасти Case IH FARMALL 105C (35.116.AD[06]) - VAR - 743595 - LIFT CYLINDER, PIPE (35) - HYDRAULIC SYSTEMS

Схема запчастей Case IH FARMALL 105C - (35.116.AD[06]) - VAR - 743595 - LIFT CYLINDER, PIPE (35) - HYDRAULIC SYSTEMS
2
1
37.110.ac (01)
home
FIT
1:1
100%

Артикул

Название

Примечание

Количество

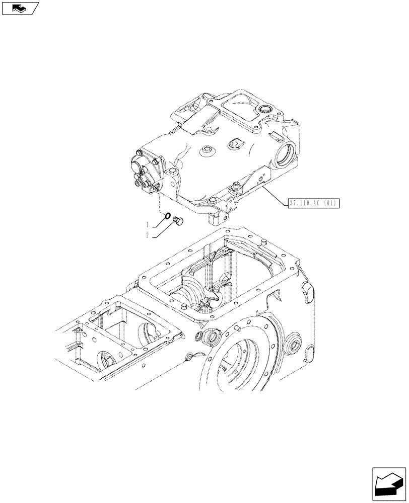
1

81826567

O-RING,0.116" Thk x 0.924" ID, -912, Cl 6, 90 Duro

1шт.

2

83957506

PLUG,3/4"

1шт.

Выбрано товаров: 2