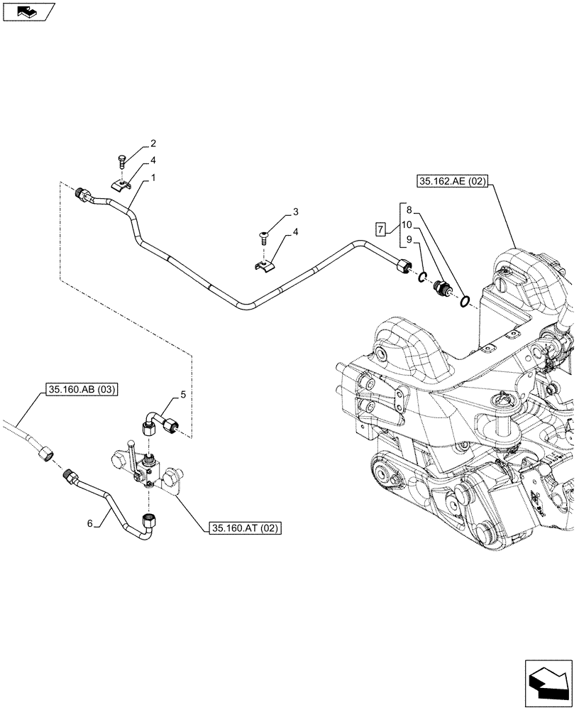
Запчасти Case IH FARMALL 105C (35.160.AB[02]) - VAR - 332789 - 3 POINT HITCH, FRONT, HYD. LINE, WITH FRONT PTO (35) - HYDRAULIC SYSTEMS

Схема запчастей Case IH FARMALL 105C - (35.160.AB[02]) - VAR - 332789 - 3 POINT HITCH, FRONT, HYD. LINE, WITH FRONT PTO (35) - HYDRAULIC SYSTEMS
6
4
10
1
2
35.160.ab (03)
8
7
9
35.162.ae (02)
home
3
35.160.at (02)
5
4
FIT
1:1
100%

Артикул

Название

Примечание

Количество

1

84413202

PIPE

1шт.

2

16043680

BOLT,Hex, M8 x 1.25 x 25mm, Full Thd

1шт.

3

920017519

SCREW,Oval, M8 x 25mm, Stainless

1шт.

4

84577717

CLAMP

2шт.

5

84526982

HYD TUBE

1шт.

6

84562627

RIGID TUBE

1шт.

7

82016497

HYD CONNECTOR,13/16"-16 ORFS x M22 x 1.5

ASSY, Incl 8-10

1шт.

8

82016732

SEAL,19.6mm ID x 24.3mm OD x 1.5mm Thk

1шт.

9

81845038

O-RING,0.5" ID x 0.07" Thk

1шт.

10

NSS

NOT SOLD SEPARAT

Fitting, Incl in 7

1шт.

Выбрано товаров: 0