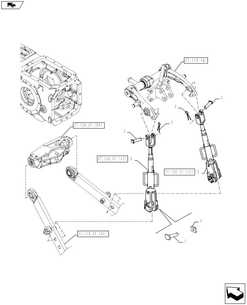
Запчасти Case IH FARMALL 105C (37.120.AV[10]) - VAR - 332953 - TOWING EQUIPMENT (37) - HITCHES, DRAWBARS & IMPLEMENT COUPLINGS

Схема запчастей Case IH FARMALL 105C - (37.120.AV[10]) - VAR - 332953 - TOWING EQUIPMENT (37) - HITCHES, DRAWBARS & IMPLEMENT COUPLINGS
3
home
3
37.110.ae (03)
5
2
37.110.aq
37.120.av (13)
37.120.av (09)
5
37.120.av (13)
1
4
2
FIT
1:1
100%

Артикул

Название

Примечание

Количество

1

84424100

PIN,22mm OD x 85mm L

2шт.

2

47126271

PIN,22mm OD x 84mm L

2шт.

3

5112606

COTTER PIN,2.5mm OD x 66.5mm L

2шт.

4

84424101

PLATE

2шт.

5

47391742

LIFTING ROD

ASSY

2шт.

Выбрано товаров: 5