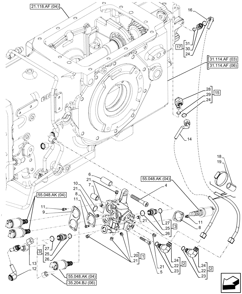
Запчасти Case IH FARMALL 105C (31.104.AR[06]) - VAR - 337323, 743560 - PTO, CONTROL VALVE, 4WD (31) - IMPLEMENT POWER TAKE OFF

Схема запчастей Case IH FARMALL 105C - (31.104.AR[06]) - VAR - 337323, 743560 - PTO, CONTROL VALVE, 4WD (31) - IMPLEMENT POWER TAKE OFF
3
26
16
29
35.204.bj (06)
12
23
25
13
8
31
55.048.ak (04)
28
9
18
23
27
20
21
15
11
7
27
10
17
21
2
2
25
8
24
24
21
31.114.af (03)
11
5
55.048.ak (04)
24
1
55.048.ak (04)
24
31.114.af (06)
21
22
4
21
3
26
14
6
30
11
19
21.118.af (04)
22
FIT
1:1
100%

Артикул

Название

Примечание

Количество

1

84366530

VALVE

ASSY, Incl 20, 21

1шт.

2

86579687

ELBOW,90 Degree, 11/16"-16 x M16 x 1.5 ORB

ASSY, Incl 22 (Qty 1), 23(Qty 1), 24 (Qty 1)

2шт.

3

86579676

HYD CONNECTOR,13/16" - 16 ORFS x M18 x 1.5 ORB

ASSY, Incl 25 - 27

2шт.

4

14332021

SCREW

1шт.

5

14306821

HEX SOC SCREW,M8 x 45mm, Cl 8.8

1шт.

6

84366578

SPACER,13mm ID x 20mm OD x 47mm L

1шт.

7

84364460

SPACER,13mm ID x 20mm OD x 29mm L

1шт.

8

5194826

BRACKET

2шт.

9

84356033

RETAINER,3mm Thk

1шт.

10

638-53200

O-RING,2.65mm Thk x 20mm ID, Cl 5, 75 Duro

1шт.

11

864-6012

HEX SOC SCREW,M6 x 12mm, Cl 8.8

6шт.

12

84492709

TUBE

To Transmission Control Valve

1шт.

13

9625546

CAP,11/16" - 16 ORFS

11/16-16 10MM

1шт.

14

47578046

TUBE

To Clutch PTO

1шт.

15

86579686

90 ELBOW,11/16"-16 ORFS x M14 x 1.5 ORB

ASSY, Incl 24 (Qty 1), 28, 29

1шт.

16

47578044

TUBE

To Brake PTO

1шт.

17

86580177

HYD CONNECTOR,11/16"-16 ORFS x M12 x 1.5 ORB

ASSY, Incl 24 (Qty 1), 30, 31

1шт.

18

4959735

SPACER,18mm ID x 25mm OD x 30mm L

2шт.

19

13000890

HOSE CLAMP,50mm - 70mm, Worm Gear

1шт.

20

NSS

NOT SOLD SEPARAT

Valve, Incl in 1

1шт.

21

14326004

PLUG,Hex Socket, M10 x 1.25 x 11.00mm, STL, DAC

14шт.

22

NSS

NOT SOLD SEPARAT

90° Elbow, Incl in 2

2шт.

23

86598100

O-RING,2.2mm Thk x 13.3mm ID, Cl 6, 90 Duro

2шт.

24

9993141

O-RING,0.07" Thk x 0.364" ID, -12, Cl 6, 90 Duro

4шт.

25

NSS

NOT SOLD SEPARAT

Straight Connector, Incl in 3

2шт.

26

86598100

O-RING,2.2mm Thk x 13.3mm ID, Cl 6, 90 Duro

2шт.

27

9993141

O-RING,0.07" Thk x 0.364" ID, -12, Cl 6, 90 Duro

2шт.

28

NSS

NOT SOLD SEPARAT

90° Elbow, Incl in 15

1шт.

29

86598100

O-RING,2.2mm Thk x 13.3mm ID, Cl 6, 90 Duro

1шт.

30

NSS

NOT SOLD SEPARAT

Straight Connector, Incl in 17

1шт.

31

86598098

O-RING,2.2mm Thk x 9.3mm ID, Cl 6, 90 Duro

1шт.

Выбрано товаров: 31