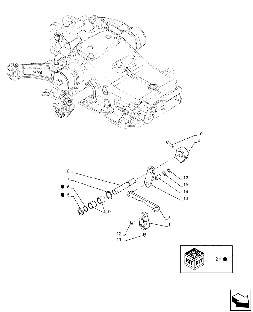
Запчасти Case IH FARMALL 105C (37.110.AM[04]) - VAR - 332785 - HYDRAULIC LIFT, HOUSING, LEVER, TIE-ROD, ARM (37) - HITCHES, DRAWBARS & IMPLEMENT COUPLINGS

Схема запчастей Case IH FARMALL 105C - (37.110.AM[04]) - VAR - 332785 - HYDRAULIC LIFT, HOUSING, LEVER, TIE-ROD, ARM (37) - HITCHES, DRAWBARS & IMPLEMENT COUPLINGS
12
2
4
6
1
10
13
2
2
7
15
8
3
12
2
9
11
14
5
FIT
1:1
100%

Артикул

Название

Примечание

Количество

1

84262892

CRANK LEVER

1шт.

2

84562042

GASKET KIT

KIT, Incl 5, 6

1шт.

Include also Gaskets in Figure 37.110.AI (07), 37.110.AK (02), 37.110.AQ (04)

1шт.

3

84262899

LEVER

1шт.

4

84560075

CAM

1шт.

5

84263383

OIL SEAL,16mm ID x 20.5mm OD x 2mm Thk

1шт.

6

84263384

O-RING, 15.88mm ID x x 2.62mm Thk

1шт.

7

84188564

SNAP RING

1шт.

8

84560080

PIN

1шт.

9

84262500

BUSHING

2шт.

10

14604379

PIN,6mm OD x 36mm L

6 x 36

1шт.

11

86836489

SET SCREW,Hex Skt, M8 x 8mm, Cup Pt

1шт.

12

86639142

SNAP RING,M8

2шт.

13

84262896

LEVER

1шт.

14

84560077

ROLLER

1шт.

15

86511323

WASHER,10.5mm ID x 20mm OD x 2mm Thk

1шт.

Выбрано товаров: 16