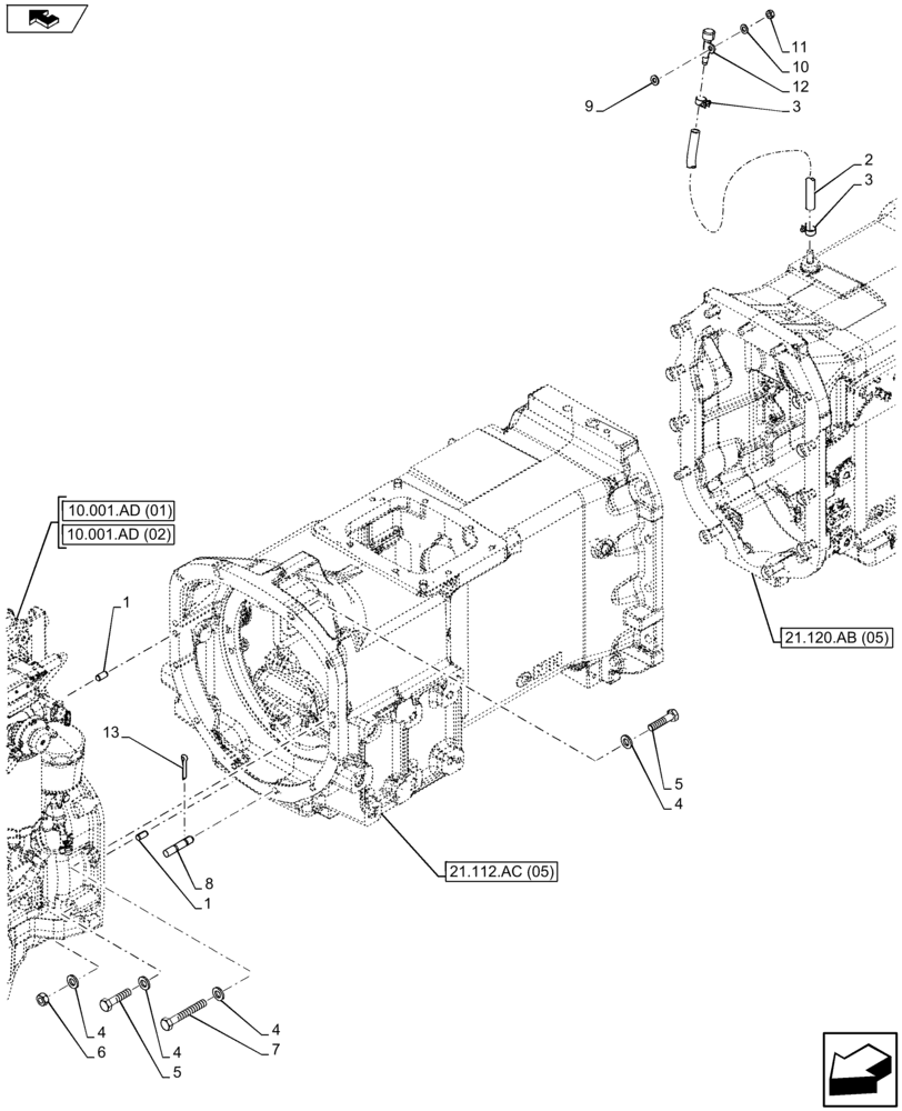
Запчасти Case IH FARMALL 105U (21.112.AD[02]) - VAR - 334115, 334117 - TRANSMISSION HOUSING, BREATHER (21) - TRANSMISSION

Схема запчастей Case IH FARMALL 105U - (21.112.AD[02]) - VAR - 334115, 334117 - TRANSMISSION HOUSING, BREATHER (21) - TRANSMISSION
3
5
21.112.ac (05)
7
1
5
4
10
4
11
4
9
home
12
6
13
3
21.120.ab (05)
1
10.001.ad (01)
2
10.001.ad (02)
4
8
FIT
1:1
100%

Артикул

Название

Примечание

Количество

1

4988170

PIN,10mm OD x 20mm L

2шт.

2

84233691

FLEXIBLE HOSE

1050mm

1шт.

3

10186890

HOSE CLAMP,M14-16, Worm

2шт.

4

11198674

BELLEVILLE WASHER,M12 Bolt Size x 24mm OD x 3.2mm Thk

12шт.

5

15540834

BOLT,Hex, M12 x 1.25 x 50mm, Cl 10.9

6шт.

6

16101524

NUT,M12 x 1.25, Cl 10

4шт.

7

15541534

BOLT,Hex, M12 x 90, 8.8

2шт.

8

13530434

STUD

4шт.

9

10519604

WASHER,8.15mm ID x 17mm OD x 2mm Thk

1шт.

10

11193874

BELLEVILLE WASHER,M8 Bolt Size x 16mm OD x 1.4mm Thk

1шт.

11

16100870

NUT

1шт.

12

5153270

BREATHER

1шт.

13

10798204

COTTER PIN,M6.3 x 32

1шт.

Выбрано товаров: 13