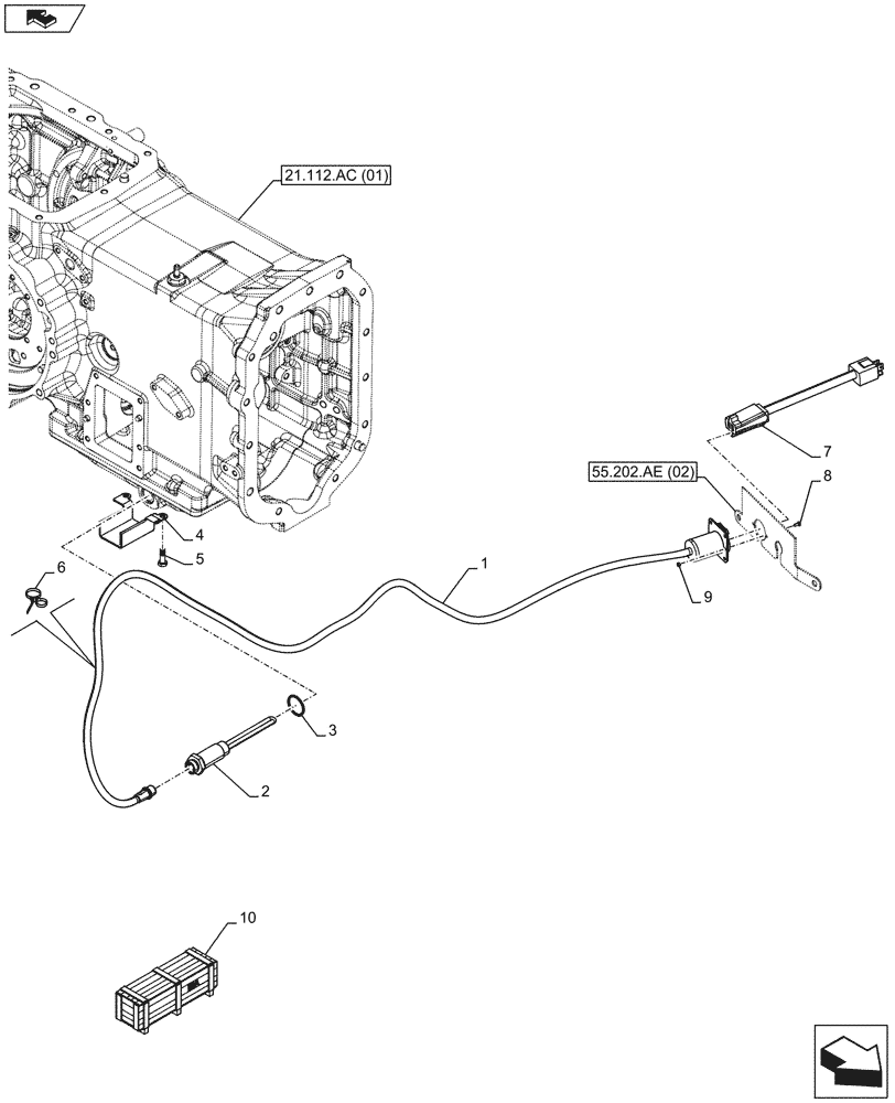
Запчасти Case IH FARMALL 105U (21.118.AJ[02]) - VAR - 744981 - TRANSMISSION AND ENGINE BLOCK HEATER NAR 120V (21) - TRANSMISSION

Схема запчастей Case IH FARMALL 105U - (21.118.AJ[02]) - VAR - 744981 - TRANSMISSION AND ENGINE BLOCK HEATER NAR 120V (21) - TRANSMISSION
home
4
55.202.ae (02)
3
10
8
5
6
1
2
9
7
21.112.ac (01)
FIT
1:1
100%

Артикул

Название

Примечание

Количество

1

84397506

ELECTRIC CABLE,78mm L

78mm L 110V, ASSY, Incl 4 - 6

1шт.

2

84130678

HEATER,110V

110V

1шт.

3

81903721

O-RING,0.116" Thk x 1.048" ID, -914, Cl 6, 90 Duro

1шт.

4

47527977

SHIELD

1шт.

5

14420421

HEX SOC SCREW,M10 x 40mm, Cl 8.8, Full Thd

1шт.

6

82013031

CABLE TIE,193mm L

193mm L

3шт.

7

47537833

WIRE HARNESS

1шт.

8

13271914

SCREW,Pozidriv Pan Hd, M4 x 10mm, Cl 5.8, Full Thd

2шт.

9

10794011

NUT,M4, Cl 8

2шт.

10

719106060

DIA KIT, TRACTOR

Engine Block and Transmission Oil Heater (240V)

1шт.

To See Full DIA KIT Composition Look for all the Figures Where the DIA KIT P/N Is Shown

1шт.

See also Figure 55.202.AE

1шт.

Выбрано товаров: 12