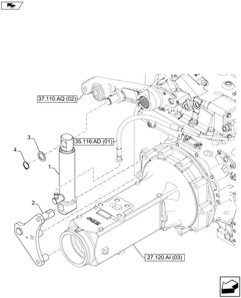
Запчасти Case IH FARMALL 105U (35.116.AH[01]) - VAR - 390832, 743597 - JACK, LIFT CYLINDER (35) - HYDRAULIC SYSTEMS

Схема запчастей Case IH FARMALL 105U - (35.116.AH[01]) - VAR - 390832, 743597 - JACK, LIFT CYLINDER (35) - HYDRAULIC SYSTEMS
3
home
35.116.ad (01)
4
2
37.110.aq (02)
27.120.ai (03)
1
FIT
1:1
100%

Артикул

Название

Примечание

Количество

1

5171357

HYDRAULIC CYLINDER

2шт.

2

84576826

SUPPORT

1шт.

3

44018747

WASHER,28mm ID x 40mm OD x 3mm Thk

2шт.

4

11067676

SNAP RING,M28, Ext

2шт.

Выбрано товаров: 4