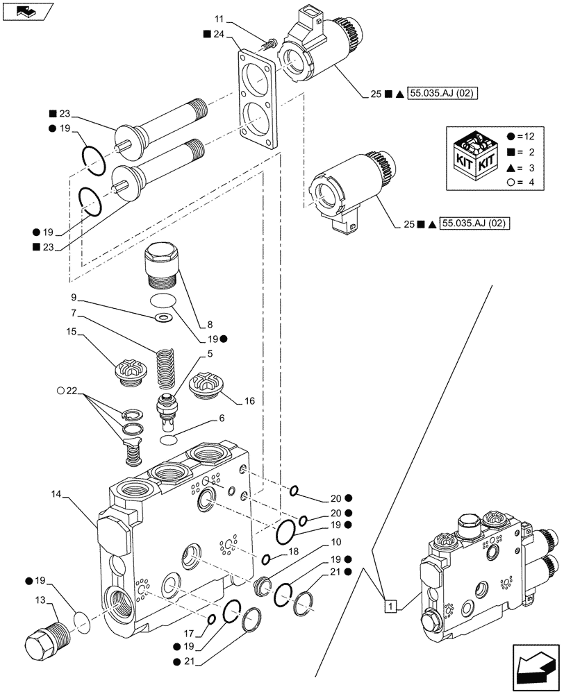
Запчасти Case IH FARMALL 105U (35.204.BE[11]) - VAR - 330849, 331844, 332844 - REMOTE CONTROL VALVE, COMPONENTS (35) - HYDRAULIC SYSTEMS

Схема запчастей Case IH FARMALL 105U - (35.204.BE[11]) - VAR - 330849, 331844, 332844 - REMOTE CONTROL VALVE, COMPONENTS (35) - HYDRAULIC SYSTEMS
55.035.aj (02)
2
9
14
23
2
12
24
2
7
11
4
19
19
4
13
12
12
3
12
18
19
22
16
2
12
5
home
20
home
25
12
6
8
2
15
19
23
21
20
1
12
10
12
19
12
12
19
3
2
19
2
4
3
12
21
12
25
12
3
17
55.035.aj (02)
FIT
1:1
100%

Артикул

Название

Примечание

Количество

1

84175671

VALVE SECTION

ASSY, Incl 2 - 18

1шт.

2

47129414

SOLENOID,3.35A

1шт.

3

5190768

COIL ASSY.

2шт.

4

84232107

REPAIR KIT

1шт.

5

47129415

INSERT

1шт.

6

87531495

O-RING,12.00mm ID x 1.75mm

1шт.

7

47129411

SPRING

1шт.

8

47129410

PLUG,Hex, 29.2mm OD

1шт.

9

47129406

SHIM,0.30mm T

1шт.

9

47129416

SHIM,0.80mm T

1шт.

9

47129407

SHIM,0.40mm T

1шт.

10

84127100

SHUT-OFF VALVE

1шт.

11

47129409

SET SCREW,Oval Head

6шт.

12

84312718

SEAL KIT

1шт.

13

87531487

PLUG

1шт.

14

NSS

NOT SOLD SEPARAT

Valve Housing, Incl in 1

1шт.

15

NSS

NOT SOLD SEPARAT

Cap, Incl in 1

1шт.

16

NSS

NOT SOLD SEPARAT

Cap, Incl in 1

1шт.

17

NSS

NOT SOLD SEPARAT

Seal, Incl in 1

1шт.

18

NSS

NOT SOLD SEPARAT

Seal, Incl in 1

2шт.

19

NSS

NOT SOLD SEPARAT

O-Ring, Incl in 12

2шт.

20

NSS

NOT SOLD SEPARAT

O-Ring, Incl in 12

2шт.

21

NSS

NOT SOLD SEPARAT

O-Ring, Incl in 12

2шт.

22

NSS

NOT SOLD SEPARAT

Repair KIT, Incl in 4

1шт.

23

NSS

NOT SOLD SEPARAT

Pressure Tube, Incl in 2

2шт.

24

NSS

NOT SOLD SEPARAT

Fastening Flange, Incl in 2

1шт.

25

NSS

NOT SOLD SEPARAT

Parts Set, Incl in 2 and 3

2шт.

see also Figure 55.035.AJ 02

1шт.

Выбрано товаров: 28