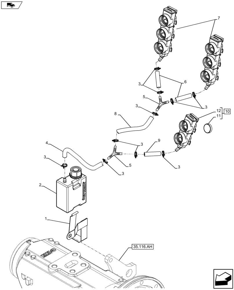
Запчасти Case IH FARMALL 105U (35.300.AQ[01]) - VAR - 332844 - REMOTE CONTROL VALVE, RESERVOIR (35) - HYDRAULIC SYSTEMS

Схема запчастей Case IH FARMALL 105U - (35.300.AQ[01]) - VAR - 332844 - REMOTE CONTROL VALVE, RESERVOIR (35) - HYDRAULIC SYSTEMS
3
3
3
5
9
3
10
5
3
8
1
12
6
3
3
home
home
4
7
35.116.ah
2
11
FIT
1:1
100%

Артикул

Название

Примечание

Количество

1

47132144

BRACKET

1шт.

2

87555441

RESERVOIR, HYDRAULIC,600ml

1шт.

3

13423370

CLAMP,13.6mm - 15.1mm

10шт.

4

19308280

FLEXIBLE HOSE,7.5mm ID x 380mm L, Rubber

1шт.

5

87397960

TEE,3 Hoses

2шт.

6

19306080

FLEXIBLE HOSE

2шт.

7

84286361

DUST CAP

2шт.

8

19306780

FLEXIBLE HOSE

1шт.

9

19309180

FLEXIBLE HOSE

1шт.

10

47617739

ASSY, Incl 11, 12

CAP

1шт.

11

82029894

DISC,20mm OD x 5.5mm Thk, Green, PA6+30% Glass Fiber

Brown

2шт.

12

84253930

DUST CAP,56.5mm H x 128mm L x 39.5mm Thk

1шт.

Выбрано товаров: 12