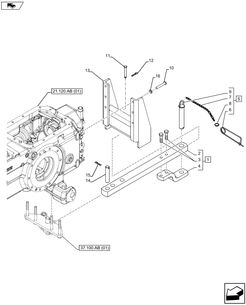
Запчасти Case IH FARMALL 105U (37.100.AA) - VAR - 334763 - DRAWBAR AND HITCH, DRAWBAR - ISO (37) - HITCHES, DRAWBARS & IMPLEMENT COUPLINGS

Схема запчастей Case IH FARMALL 105U - (37.100.AA) - VAR - 334763 - DRAWBAR AND HITCH, DRAWBAR - ISO (37) - HITCHES, DRAWBARS & IMPLEMENT COUPLINGS
8
home
6
4
16
12
5
15
9
13
2
21.120.ab (01)
14
3
11
37.100.ab (01)
10
1
7
FIT
1:1
100%

Артикул

Название

Примечание

Количество

1

84129985

DRAWBAR

ASSY, Incl 2 - 4

1шт.

2

5180877

DRAWBAR,780mm L x 60mm W x 40mm Thk

1шт.

3

11119133

BOLT,Hex, M16 x 60, 10.9, Full Thd

2шт.

4

82010169

CLEVIS,251mm L x 60mm W x 25mm Thk, 70mm Offset

1шт.

5

5163732

PIN,32mm OD x 182mm L

ASSY, Incl 6 - 9

1шт.

6

5152004

HAIR PIN COTTER,195mm L

1шт.

7

596063

LINK CHAIN,13 Links x 18mm = 234mm L

1шт.

8

44901192

SNAP RING,25mm ID

1шт.

9

NSS

NOT SOLD SEPARAT

Pin, Incl in 5

1шт.

10

15981834

BOLT,Hex, M16 x 1.5 x 120mm, Cl 10.9

6шт.

11

5181758

PIN,16mm OD x 119.5mm L

2шт.

12

82026318

COTTER PIN,1/8 x 2 5/16

2шт.

13

5199428

SUPPORT

1шт.

14

82000094

SPRING,40mm OD x 142mm L

1шт.

15

82006933

PIN,28mm OD x 134mm L

1шт.

16

11194274

BELLEVILLE WASHER,M16 Bolt Size x 32mm OD x 3.4mm Thk

6шт.

Выбрано товаров: 16